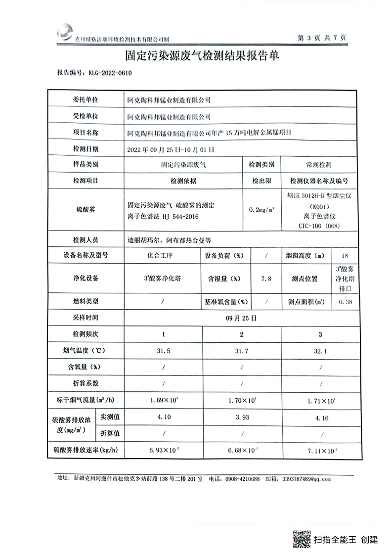
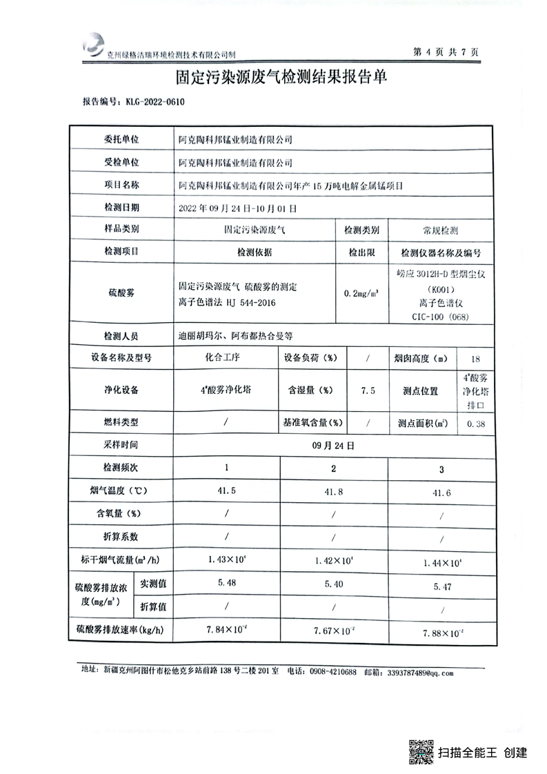
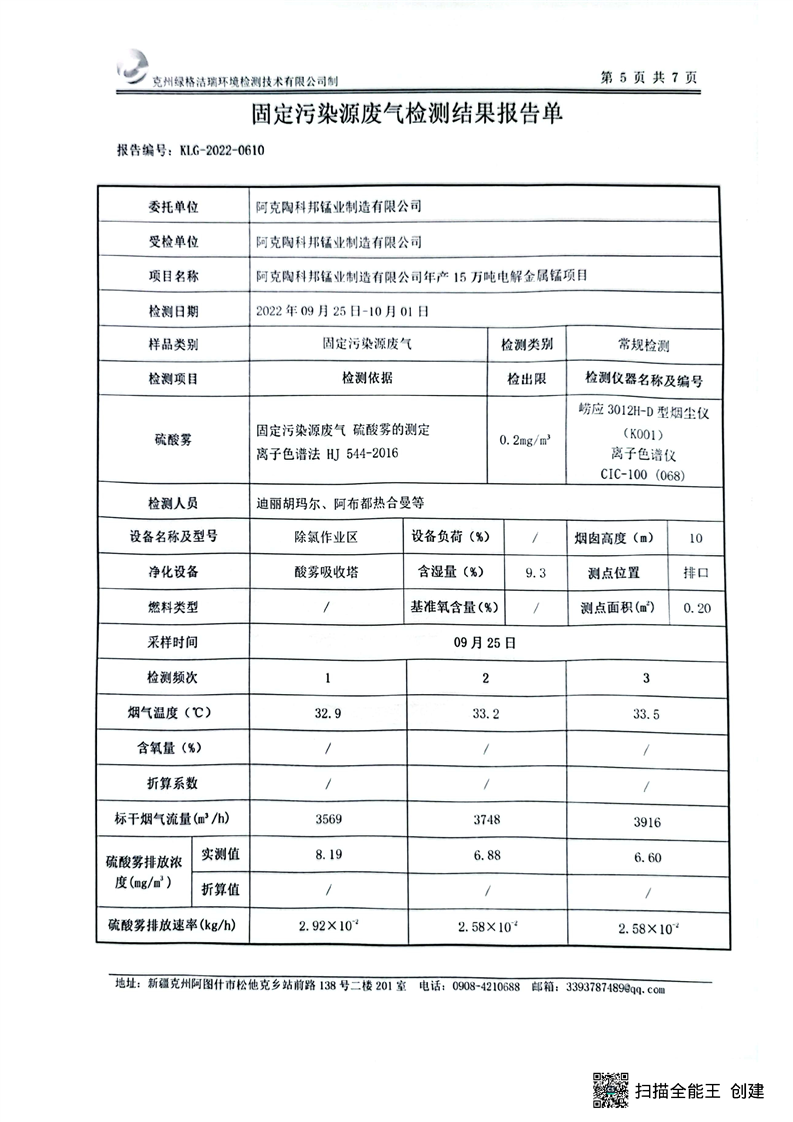
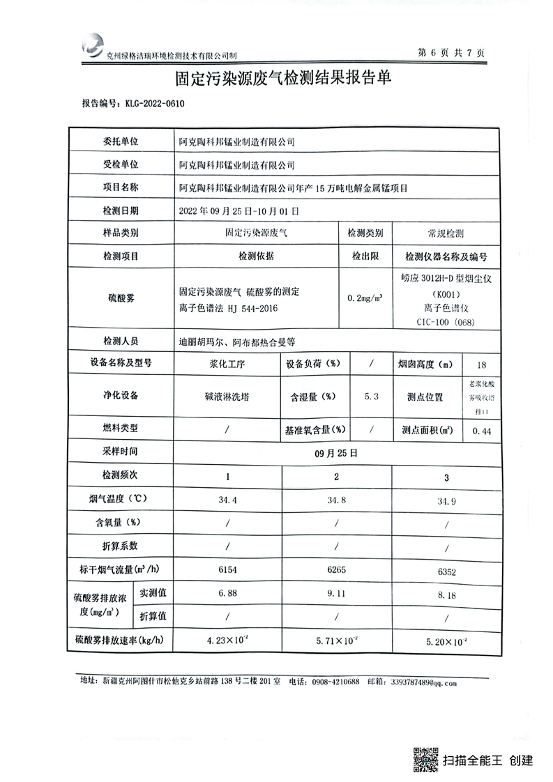
阿克陶科邦锰业制造有限公司9月污染源检测报告
| 索 引 号 | K45893645/2022-02271 | 主题分类 | |
| 名 称 | |||
| 主 题 词 | 污染源 检测 | 成文日期 | 2022-10-10 13:34 |
| 文 号 | 〔〕号 | 发布日期 | 2022-10-11 13:28 |
| 发文单位 | 阿克陶科邦锰业制造有限公司 | 发布机构 | 克州生态环境局阿克陶县分局 |









解读文章
| 索 引 号 | K45893645/2022-02271 | 主题分类 | |
| 名 称 | |||
| 主 题 词 | 污染源 检测 | 成文日期 | 2022-10-10 13:34 |
| 文 号 | 〔〕号 | 发布日期 | 2022-10-11 13:28 |
| 发文单位 | 阿克陶科邦锰业制造有限公司 | 发布机构 | 克州生态环境局阿克陶县分局 |








