阿克陶县城北轻工业园区生活污水处理厂建设项目和阿克陶县城北轻工业园区污水处理厂改扩建与提标工程竣工环境保护验收监测报告
| 索 引 号 | K45893645/2022-02259 | 主题分类 | |
| 名 称 | |||
| 主 题 词 | 环境保护 | 成文日期 | |
| 文 号 | 〔〕号 | 发布日期 | 2022-06-01 16:30 |
| 发文单位 | 阿克陶县住建局 | 发布机构 | 阿克陶县住建局 |
阿克陶县城北轻工业园区生活污水处理厂建设项目和阿克
陶县城北轻工业园区污水处理厂改扩建与提标工程
竣工环境保护验收监测报告
建设单位:阿克陶县住房和城乡建设局
编制单位:新疆绿碧天成环保科技有限公司
二〇二二年六月
1 项目概况
阿克陶县城北轻工业园区生活污水处理厂位于在阿克陶县城北轻工业园东南侧,其一期工程为阿克陶县城北轻工业园区生活污水处理厂建设项目,处理规模为5000m3/d,处理工艺采取卡鲁塞尔氧化沟处理工艺,接纳园区内的生活污水,不接纳园区内的工业废水。二期工程为阿克陶县城北轻工业园区污水处理厂改扩建与提标工程,处理能力新增15000m3/d,厂区占地面积为137亩,其中一期为90亩,二期新增47亩。
2017年4月阿克陶县城北轻工业园区生活污水处理厂开工建设,2018年8月建成试运行,2019年5月正式运行。项目于2019年11月17日取得《关于阿克陶县城北轻工业园区生活污水处理厂建设项目环境影响报告表的批复》(克环评函【2019】62号);2019年10月30日完成排污许可申报,2019年12月25日完成排污许可变更,取得排污许可证书,证书编号916530222295041995001V(排污许可证见附件4);未开展建设项目竣工环境保护验收。该项目存在批先建等环境违法问题,2020年8月克孜勒苏柯尔克孜州生态环境局阿克陶分局对项目建设单位阿克陶住房和城乡建设局下达了处罚通知(陶环罚[2020]2号),阿克陶住房和城乡建设局于2020年10月16日完成处罚(见附件)。
阿克陶县城北轻工业园区污水处理厂二期工程于2021年3月开工建设,2022年3月完成扩建及改造,2022年8月正式运行。项目为阿克陶县城北轻工业园区污水处理厂提标改造及扩建工程,二期扩建主要位于厂区西北侧。二期工程主要是对一期工程进行提标改造,同时在一期处理规模5000m3/d的基础上,新增15000m3/d的处理能力,使总处理规模达到20000m3/d。整个厂区出水水质提升至《城镇污水处理厂污染物排放标准》(GB 18918-2002)一级A标准。项目将一期工程的“氧化沟处理工艺”改为“预处理+生化处理+深度处理+消毒处理”。
目前,该项目设备运行稳定,各环保设施运行正常,具备了环境保护竣工验收监测的条件。受阿克陶县住房和城乡建设局的委托,本公司根据《国务院第682号关于修改〈建设项目环境保护管理条例〉的决定》及国家环保总局第13号令《建设项目环境保护验收管理办法》以及建设单位提供的相关资料,2022年5月20日,我公司技术人员对该项目废水、废气、噪声、固废等环保处理设施与措施进行了现场勘察,调研了相关的技术资料,编制了验收监测方案。2022年5月26日至5月28日,我公司技术人员对该项目环境保护设施的建设和运行情况进行了核查,并对污染物排放实施了现场监测;2022年3月厂区内除臭装置安装完成并开始启用,我公司技术人员于2022年5月26日至5月28日,对厂区内5套除臭设备排气筒外排废气进行了补充监测,在此基础上编制了本验收监测报告。
2 验收监测依据
2.1 法律法规及条例
(1)《中华人民共和国环境保护法》(2015年1月1日);
(2)《中华人民共和国环境影响评价法》(2018年12月29日);
(3)《中华人民共和国大气污染防治法》(2018年10月26日);
(4)《中华人民共和国水污染防治法》(2017年6月27日);
(5)《中华人民共和国环境噪声污染防治法》(2018年12月29日);
(6)《中华人民共和国固体废物污染环境防治法》(2020年9月1日);
(7)《建设项目环境保护管理条例》(国务院令第682令);
(8)《建设项目竣工环境保护验收管理办法》,国家环境保护总局令第13号,2001年12月;
(9)《建设项目竣工环境保护验收暂行办法》,国环规环评[2017]4号,2017年11月22日;
(10)《关于加强建设项目竣工环境保护验收工作中污染事故防范环境管理检查工作的通知》,中国环境监测总站验字[2005]188号,2005年;
(11)《国家危险废物名录》(2016年8月1日);
(12)《新疆维吾尔自治区环境保护条例》,2018年9月21日修正公布;
(13)《新疆维吾尔自治区建设项目环境影响评价公众参与管理规定》,2018年5月29日;
(14)《企业事业单位突发环境事件应急预案备案管理办法(试行)》,环发[2015]4号。
2.2 建设项目竣工环境保护验收技术规范
(1)《建设项目竣工环境保护验收技术指南 污染影响类》,2018年5月15日实施;
2.3 项目文件
(1)重庆大润环境科学研究院有限公司《阿克陶县城北轻工业园区生活污水处理厂建设项目环境影响报告表》,2019年10月;
(2)克孜勒苏柯尔克孜自治州生态环境局《关于<阿克陶县城北轻工业园区生活污水处理厂建设项目环影响报告表>的批复》(克环评函〔2019〕62号),2019年11月17日;
(3)新疆大域智汇环保咨询服务有限公司《阿克陶县城北轻工业园区污水处理厂改扩建与提标工程环境影响报告书》,2020年6月;
(4)新疆维吾尔自治区生态环境厅《关于<阿克陶县城北轻工业园区污水处理厂改扩建与提标工程环境影响报告书>的批复》(新环审〔2020〕214号),2020年10月30日;)
3 工程建设情况
3.1 地理位置及平面布置
3.1.1 地理位置
阿克陶县城北轻工业园区污水处理厂位于轻工业园东南侧,厂区中心地理坐标E76°1'28.41" ,N39°14'43.14"。污水处理厂北侧、南侧现为农田,东侧200m处为生态林、西侧350m处为恒谷酒业。项目地理位置见图3.1-1,周围关系见图3.1-2。
3.1.1 平面布置
项目厂区为矩形,其中,两个事故池并列位于厂区西北角;拟建污水处理线呈东西走向线性分布;原项目污水处理线与拟建污水线平行位于厂区横向中心线处;生活区及办公区位于厂区南侧厂界。项目污水处理流水线布置合理,靠近厂区北侧厂界,合理利用厂区空间;厂区内分块合理,清洁区和污染区分块明显,生活办公区位于污水处理区域侧风向,受污水处理废气影响较小。平面布置见图3.1-3。
3.2 建设内容
3.2.1 一期工程基本情况
阿克陶县城北轻工业园区污水处理厂一期工程于2017年4月开工建设,2018年8月建成试运行,2019年5月正式运行。项目占地90亩,以卡鲁塞尔氧化沟为核心的二级污水处理工艺,设计日处理污水量5000m³,接纳阿克陶县城北轻工业园区的生活污水,不接纳工业废水。主要设施包括格栅、二级提升泵房、沉砂池、氧化沟、二沉池、紫外线消毒车间、污泥脱水车间、回流及剩余污泥泵池、鼓风机房等,夏季处理后的中水用于生态林灌溉。

图3.1-1 建项目地理位置

图3.1-2 建项目周边情况

图3.1-2 项目区平面布置图
3.2.2 二期工程基本情况
阿克陶县城北轻工业园区污水处理厂二期工程于2021年3月开工建设,2022年3月完成扩建及改造,2022年8月正式运行。项目为阿克陶县城北轻工业园区污水处理厂提标改造及扩建工程,二期扩建主要位于厂区西北侧。
二期工程主要是对一期工程进行提标改造,同时在一期处理规模5000m3/d的基础上,新增15000m3/d的处理能力,使总处理规模达到20000m3/d。整个厂区出水水质提升至《城镇污水处理厂污染物排放标准》(GB 18918-2002)一级A标准。项目将一期工程的“氧化沟处理工艺改为预处理+生化处理+深度处理+消毒处理”。
二期工程不新建污水管网,本次主要为将企业预处理后的一般工业废水纳入污水处理厂的接收范围(不接纳特殊有毒有害、难降解有机废水及涉重金属废水)。
主要建设内容包括对现有沉砂池与氧化沟配水井之间进行改造,共用扩建污水处理线的调节池及酸化水解池,二沉池出水并入扩建污水处理线的深度处理部分进行深度净化;一期工程污泥进入扩建污水处理线的污泥处理间进行处理。二期工程新建格栅间及污水提升泵房、细格栅和旋流沉砂池间、调节池、水解酸化池、AA/O池、二沉池、消毒间、污泥回流泵池、污泥脱水间、污泥浓缩池、鼓风机房、深度处理提升泵池、高效沉淀池间、反硝化深床滤池间、接触消毒池及出水计量槽、反冲洗废水池、加药间、事故池等。
3.2.3 项目历史进程情况介绍
阿克陶县城北轻工业园区生活污水处理厂一、二期工程整体情况:
2017年4月阿克陶城北轻工业园区生活污水处理厂开工建设;
2018年8月阿克陶城北轻工业园区生活污水处理厂建成试运行;
2019年5月阿克陶城北轻工业园区生活污水处理厂正式试运行;
2019年11月17日取得《关于阿克陶县城北轻工业园区生活污水处理厂建设项目环境影响报告表的批复》(克环评函【2019】62号);
2019年10月30日完成排污许可申报,2019年12月25日完成排污许可变更,取得排污许可证书;
2020年6月委托新疆大域智汇环保咨询服务有限公司编制《阿克陶县城北轻工业园区污水处理厂改扩建与提标工程环境影响报告书》;
2021年3月阿克陶县城北轻工业园区污水处理厂改扩建与提标工程开工建设;
2022年3月阿克陶县城北轻工业园区污水处理厂改扩建与提标工程完成扩建及改造;
2022年8月阿克陶县城北轻工业园区污水处理厂改扩建与提标工程正式运行。
3.2.4 主要建设内容
3.2.4.1 一期工程主要建设内容
主要设施包括格栅、二级提升泵房、沉砂池、氧化沟、二沉池、紫外线消毒车间、污泥脱水车间、回流及剩余污泥泵池、鼓风机房等。
3.2.4.2 二期工程主要建设内容
二期工程主体工程具体内容见表3.2-1。
表3.2-2 二期项目组成一览表
|
一 |
主体工程 |
|||||
|
序号 |
名称 |
规格 |
材料 |
单位 |
数量 |
|
|
1 |
进水控制井 |
3.00m×3.0m×5.82m |
钢砼 |
座 |
1 |
|
|
2 |
格栅间及污水提升泵房 |
13.06m×8.26m×6.9m |
框架 |
座 |
1 |
|
|
3 |
细格栅和旋流沉砂池间 |
24.76m×23.86m×11.40m (异形) |
框架 |
座 |
1 |
|
|
4 |
调节池 |
52.3m×21.9m×5.7m (异形) |
钢砼 |
座 |
1 |
|
|
5 |
水解酸化池 |
50.3m×18.2m×6.0m (异形) |
钢砼 |
座 |
1 |
|
|
6 |
A2/O池 |
56.1m×43.00m×6.40m |
钢砼 |
座 |
1 |
|
|
7 |
二沉池 |
D=26m H=6.10m |
钢砼 |
座 |
2 |
|
|
8 |
污泥回流泵池 |
12.6m×7.5m×5.15m |
钢砼 |
座 |
1 |
|
|
9 |
深度处理 提升泵池 |
13.5m×8.7m×5.75m |
钢砼 |
座 |
1 |
|
|
10 |
高效沉淀池间 |
25.90m×25.30m×11.2m |
框架 |
座 |
1 |
|
|
11 |
反硝化深床滤池间 |
34.70m×24.50m×11.0m |
框架 |
座 |
1 |
|
|
12 |
接触消毒池及出水计量槽 |
16.4m×11.50m×4.75m |
钢砼 |
座 |
1 |
|
|
13 |
反冲洗废水池 |
11.7m×7.7m×4.35m |
钢砼 |
座 |
1 |
|
|
14 |
加药间 |
28.66m×11.16m×7.80m |
框架 |
座 |
1 |
|
|
15 |
消毒间 |
17.76m×9.66m×7.80m |
框架 |
座 |
1 |
|
|
16 |
污泥浓缩池配泥井 |
4.6m×2.8m×4.0m |
钢砼 |
座 |
1 |
|
|
17 |
污泥浓缩池 |
D=14.0m H=5.9m |
钢砼 |
座 |
1 |
|
|
18 |
污泥脱水间 |
36.66m×18.36m×11.5m |
框架 |
座 |
1 |
|
|
19 |
鼓风机房 |
17.76m×9.26m×5.6m |
框架 |
座 |
1 |
|
|
21 |
事故池 |
62m×35.4m×5.7m |
钢砼 |
座 |
2 |
|
|
二 |
辅助工程 |
|||||
|
序号 |
名称 |
规格 |
材料 |
单位 |
数量 |
|
|
1 |
配电室 |
19.76m×15.36m×5.4m |
框架 |
座 |
1 |
|
|
2 |
运输车库 |
12.66m×13.66m×5.0m |
框架 |
座 |
1 |
|
|
3 |
围墙 (带铁丝网) |
H=2.40m |
砖混 |
米 |
580 |
|
|
4 |
厂区土方平整 |
/ |
/ |
m³ |
7309 |
|
|
5 |
电气系统 |
/ |
/ |
套 |
1 |
|
|
6 |
自控系统 |
/ |
/ |
套 |
1 |
|
|
三 |
环保工程 |
|||||
|
序号 |
治理工程 |
治理项目 |
治理措施 |
|||
|
1 |
废气治理 |
废水处理恶臭 |
(1)设置“负压收集(1800m³/h)+活性炭除臭装置+15m排气筒”措施对格栅间和污泥处理间废水恶臭进行处理; (2)采取封闭污泥泵、污泥调理池措施治理污泥处理间相关废气; (3)厂区内进行绿化,栽植对臭气有一定吸附作用的乔、灌木和花卉,在厂区周围种植高大乔木作为隔离屏障。 |
|||
|
2 |
废水治理 |
园区废水 |
拟建项目采用三级污水处理工艺处理园区废水,污水处理工艺流程为:预处理(粗格栅+细格栅+旋流沉砂池+水解酸化)→生化处理(A2/O池+二沉池)→深度处理(高效澄清池+反硝化滤池)→消毒处理(次氯酸钠消毒法)。出水水质执行《城镇污水处理厂污染物排放标准》(GB18918-2002)表1中一级A标准,处理后中水用于园区绿化、生态林灌溉等,冬季出水暂存在中水池中。 |
|||
|
3 |
噪声治理 |
采取“厂房隔声、加强绿化、基础减振、地下安装及水中安装”等噪声治理措施。 |
||||
|
4 |
地下水防治工程 |
按照“分区设防、考虑重点、辐射全面”的防渗原则,对场区开展防渗工程 |
||||
|
5 |
固废治理 |
格栅渣 |
统一收集,应进行危废鉴定,经鉴定后,一般固废运至垃圾填埋场与生活垃圾混合填埋;若为危废,在危废间暂存,定期交由有资质的单位处理。 |
|||
|
沉沙 |
||||||
|
生活垃圾 |
统一收集,定期清运至垃圾处理场填埋处理; |
|||||
|
废弃生物膜 |
应进行危废鉴定,若鉴定为一般固废运至垃圾填埋场与生活垃圾混合填埋;若为危废,在危废间暂存,定期交由有资质的单位处理。 |
|||||
|
污泥 |
污泥处理工艺为:浓缩→调理→脱水。污泥产生后应进行危废鉴定,经鉴定后,一般固废运至垃圾填埋场与生活垃圾混合填埋或作为垃圾填埋场覆盖土,以保证土壤环境不受污染;若为危废,在危废间暂存,定期交由有资质的单位处理。 |
|||||
|
检测废液 |
检测废液暂存于危废间,定期交有资质的单位进行处理。 |
|||||
|
化学品包装物 |
化学品包装物暂存于危废间,由供货厂家定期回收利用。 |
|||||
|
6 |
绿化工程 |
厂区绿化24509.18m2 |
||||
3.2.5 纳污范围
污水处理厂纳污范围主要为阿克陶县城北轻工业园区各企业预处理达标排放的一般工业废水和园区企业产生的生活污水,不接纳化工、印染、制革、屠宰、制糖等重污染项目产生的化工废水、涉重金属废水、高含盐废水和含有持久性有机污染废水。
3.3 主要生产设备及原辅材料
本项目一期、二期生产设备汇总见表3.3-1;主要原辅材料消耗情况见表3.3-2。
表3.3.-1 一期生活污水及二期提标改造及扩建工程主要生产设备汇总表
|
序号 |
名称 |
规格 |
材料 |
单位 |
数量 |
是否与环评一致 |
|
一 |
主要构筑物 |
|
||||
|
1 |
进水控制井 |
3.00m×3.0m×5.82m |
钢砼 |
座 |
1 |
与环评一致 |
|
2 |
格栅间及污水提升泵房 |
13.06m×8.26m×6.9m |
框架 |
座 |
1 |
|
|
3 |
细格栅和旋流沉砂池间 |
24.76m×23.86m×11.40m (异形) |
框架 |
座 |
1 |
|
|
4 |
调节池 |
52.3m×21.9m×5.7m (异形) |
钢砼 |
座 |
1 |
|
|
5 |
水解酸化池 |
50.3m×18.2m×6.0m (异形) |
钢砼 |
座 |
1 |
|
|
6 |
A2/O池 |
56.1m×43.00m×6.40m |
钢砼 |
座 |
1 |
|
|
7 |
二沉池 |
D=26m H=6.10m |
钢砼 |
座 |
2 |
|
|
8 |
污泥回流泵池 |
12.6m×7.5m×5.15m |
钢砼 |
座 |
1 |
|
|
9 |
深度处理 提升泵池 |
13.5m×8.7m×5.75m |
钢砼 |
座 |
1 |
|
|
10 |
高效沉淀池间 |
25.90m×25.30m×11.2m |
框架 |
座 |
1 |
|
|
11 |
反硝化深床滤池间 |
34.70m×24.50m×11.0m |
框架 |
座 |
1 |
|
|
12 |
接触消毒池及出水计量槽 |
16.4m×11.50m×4.75m |
钢砼 |
座 |
1 |
|
|
13 |
反冲洗废水池 |
11.7m×7.7m×4.35m |
钢砼 |
座 |
1 |
|
|
14 |
加药间 |
28.66m×11.16m×7.80m |
框架 |
座 |
1 |
|
|
15 |
消毒间 |
17.76m×9.66m×7.80m |
框架 |
座 |
1 |
|
|
16 |
污泥浓缩池配泥井 |
4.6m×2.8m×4.0m |
钢砼 |
座 |
1 |
|
|
17 |
污泥浓缩池 |
D=14.0m H=5.9m |
钢砼 |
座 |
1 |
|
|
18 |
污泥脱水间 |
36.66m×18.36m×11.5m |
框架 |
座 |
1 |
|
|
19 |
鼓风机房 |
17.76m×9.26m×5.6m |
框架 |
座 |
1 |
|
|
20 |
配电室 |
19.76m×15.36m×5.4m |
框架 |
座 |
1 |
|
|
21 |
事故池 |
62m×35.4m×5.7m |
钢砼 |
座 |
2 |
|
|
22 |
运输车库 |
12.66m×13.66m×5.0m |
框架 |
座 |
1 |
|
|
23 |
围墙 (带铁丝网) |
H=2.40m |
砖混 |
米 |
580 |
|
|
24 |
厂区土方平整 |
|
|
m³ |
7309 |
|
|
25 |
污泥车 |
|
|
辆 |
1 |
|
|
26 |
工程车 |
|
|
辆 |
1 |
|
|
27 |
宿舍挂式空调 |
|
|
台 |
15 |
|
|
28 |
办公室立式空调 |
|
|
台 |
1 |
|
|
二 |
预处理车间 |
|
||||
|
1 |
循环式齿耙除污机 |
渠深1.1m,渠宽0.8m,栅 隙5mm,功率0.55KW,不锈钢 |
|
台 |
2 |
与环评一致 |
|
2 |
反捞式格栅除污机 |
渠深1.0m,渠宽0.6m,栅条间隙20mm,功率1.1KW,不锈钢 |
|
台 |
2 |
|
|
3 |
螺旋输送机 |
双进料斗,螺旋直径 220mm,输送长度3.5m,功率1.1KW,不锈钢 |
|
台 |
2 |
|
|
4 |
运渣小车 |
|
|
辆 |
1 |
|
|
5 |
螺旋压榨机 |
功率1.5KW,长度5m,不锈钢 |
|
台 |
1 |
|
|
6 |
电动吊葫芦 (带单轨小车) |
MD2-6D,N=3.4KW,起吊高度6.0m,起重3吨 |
|
台 |
3 |
|
|
7 |
方形铸铁镶铜闸门 |
600×600 |
|
个 |
2 |
|
|
8 |
旋流沉砂设备 (含工作桥) |
旋流沉砂设备处理量 360m³/h,砂水排量 18m³/h |
|
套 |
2 |
|
|
9 |
鼓风机 |
风量1.5m³/min,气压 34.3kpa功率2.2KW |
|
台 |
2 |
|
|
10 |
螺旋砂水分离器 |
18-43m³/h,功率 0.37KW |
|
套 |
1 |
|
|
11 |
干砂箱 |
|
|
个 |
1 |
|
|
三 |
AA/O池 |
|
||||
|
1 |
管式微孔曝气器 |
直径65mm,L=1m,8.0m³/h |
成品 |
套 |
280 |
与环评一致 |
|
2 |
双曲面搅拌器 |
D=1500mm,1.5KW |
成品 |
个 |
1 |
|
|
3 |
潜水搅拌机 (推进器) |
D=1100mm,N=1.5KW |
成品 |
个 |
2 |
|
|
4 |
潜水搅拌机 (推进器) |
D=1400mm,N=2.2KW |
成品 |
个 |
2 |
|
|
5 |
内回流泵 |
0.15m³/s,H=1.2m,N=4KW |
成品 |
台 |
2 |
|
|
6 |
可移动式玻璃钢网格盖板 |
|
成品 |
m2 |
12 |
|
|
7 |
围栏 |
H=1.2m |
成品 |
m |
190 |
|
|
8 |
爬梯 |
B=1.5m |
成品 |
座 |
2 |
|
|
9 |
钢格板 |
BXH=1.5m×1.5m |
成品 |
个 |
4 |
|
|
四 |
二沉池 |
|
||||
|
1 |
刮泥机 (配套桁架) |
周边传动刮泥机,D=20m,P=0.74kw |
不锈钢 |
台 |
1 |
与环评一致 |
|
2 |
不锈钢出水三角堰板 |
高130mm,厚度3mm,长58m |
不锈钢 |
套 |
1 |
|
|
3 |
不锈钢浮渣挡板 |
高300mm,厚度3mm,长56m |
不锈钢 |
套 |
1 |
|
|
4 |
法兰松套式伸缩器 |
DN200, PN=1.0MPa |
|
个 |
1 |
|
|
五 |
深度处理提升泵池 |
|
||||
|
1 |
潜污泵 |
Q=218m³/h,H=10m,P=11KW |
混合 |
台 |
2 |
与环评一致 |
|
2 |
微阻缓闭式止回阀 |
DN300 |
混合 |
个 |
2 |
|
|
3 |
闸阀 |
DN300 |
混合 |
个 |
2 |
|
|
4 |
栏杆 |
|
钢制 |
米 |
22.8 |
|
|
5 |
踏步 |
|
铸铁 |
副 |
2 |
|
|
6 |
爬梯(防滑型) |
|
不锈钢 |
副 |
1 |
|
|
六 |
深度处理车间 |
|
||||
|
|
高密度沉淀池主要设备表 |
与环评一致 |
||||
|
1 |
混合反应池搅拌机 |
D=650mm,桨叶3片,轴长2.2m,r=7~8r/min,N=2.2Kw,380V |
SS304 |
台 |
1 |
|
|
2 |
絮凝反应池搅拌机 |
D=1100mm,桨叶3片,轴长3.70m,r=30~40r/min,N=5.5Kw,380V |
SS304 |
台 |
1 |
|
|
3 |
中心传动污泥浓缩机 |
刮臂直径6400mm, N=4.00KW,380V |
水下部分 SS304 |
台 |
1 |
|
|
4 |
中心反应桶 |
直径1400mm×4000mm,厚度4mm |
SS304 |
套 |
1 |
|
|
5 |
污泥回流泵 |
Q=6m³/h,H=20m,N=1.1kW,U=380V |
CS |
台 |
2 |
|
|
6 |
排泥泵 |
Q=6m³/h,H=20m,N=1.1kW,U=380V |
CS |
台 |
1 |
|
|
7 |
沉淀池集水槽 |
2850×200×300mm,厚度4mm开孔孔径25mm,间距120mm |
SS304 |
条 |
4 |
|
|
8 |
整流装置 |
长1m,直径70厚度 1.0±0.05mm |
乙丙共聚 |
m2 |
4 |
|
|
9 |
原水浊度测定仪 |
0-2000NTU |
|
台 |
1 |
|
|
10 |
絮凝区SS测定仪 |
0-2000mg/l |
|
台 |
1 |
|
|
反硝化深床滤池主要设备 |
|
|||||
|
1 |
级配滤料 |
直径 2~3mm |
石英砂 |
米 |
78.3 |
与环评一致 |
|
2 |
卧式单级离心泵 |
Q=145m³/h,H=18.8m,N=11kW |
铸铁 |
台 |
3 |
|
|
3 |
罗茨鼓风机 |
Q=10.2 m³/min,P=68kPa,N=22kW |
1用1备 |
台 |
2 |
|
|
4 |
风机隔音罩 |
|
|
套 |
2 |
|
|
5 |
出口消声器 |
KM-150 |
|
套 |
2 |
|
|
6 |
微油式空压机 |
Q=0.83m³/min,P=0.7~0.86MPa,N=7.5KW |
|
台 |
2 |
|
|
7 |
储气罐 |
Q=1.0m³ |
碳钢防腐 |
台 |
1 |
|
|
8 |
空气干燥机 |
Q=1.0m³/min |
|
台 |
1 |
|
|
9 |
浊度仪 |
0~100NTU |
|
台 |
2 |
|
|
10 |
取样泵 |
Q=37L/min,H=11m |
|
台 |
1 |
|
|
11 |
伞型通气帽 |
|
|
只 |
1 |
|
|
12 |
潜污泵 |
Q=10m/h,H=8m,N=0.75kW |
|
台 |
2 |
|
|
加药间主要设备材料表 |
|
|||||
|
1 |
底盘 |
1820×1020 |
碳钢防腐 |
个 |
1 |
与环评一致 |
|
2 |
电控柜 |
整套设备的电气及自动化控制 |
成品 |
个 |
1 |
|
|
3 |
斜叶桨式搅拌器 |
立式 N=0.75Kw |
碳钢防腐 |
个 |
1 |
|
|
4 |
溶液箱 |
|
PE |
个 |
1 |
|
|
5 |
磁性翻板液位计 |
量程0~2.0m |
成品 |
个 |
1 |
|
|
6 |
过滤器 |
Y 型 DN25 |
成品 |
个 |
2 |
|
|
7 |
电磁计量泵 |
Q=25L/h,P=0.63Mpa,N=0.18Kw |
成品 |
台 |
2 |
|
|
8 |
楼梯及平台等 |
|
成品 |
套 |
1 |
|
|
9 |
底盘 |
1820×1020 |
碳钢防腐 |
个 |
1 |
|
|
10 |
电控柜 |
整套设备的电气及自动化控制 |
成品 |
个 |
1 |
|
|
11 |
斜叶桨式搅拌器 |
立式 N=0.75Kw |
碳钢防腐 |
个 |
1 |
|
|
12 |
溶液箱 |
|
PE |
个 |
1 |
|
|
13 |
磁性翻板液位计 |
量程0~1.6m |
成品 |
个 |
1 |
|
|
七 |
污泥回流泵池(共2座,以下为单座主要材料表) |
|
||||
|
1 |
污泥回流泵 |
Q=146m³/h,H=10m,N=7.5Kw |
铸铁 |
台 |
2 |
与环评一致 |
|
2 |
剩余污泥泵 |
Q=20m³/h,H=10m,N=1.5Kw |
铸铁 |
台 |
2 |
|
|
3 |
水下搅拌器 |
D=260mm,N=0.85KW |
铸铁 |
台 |
1 |
|
|
八 |
紫外线消毒间 |
|||||
|
1 |
紫外模块 (2个) |
紫外灯管 |
|
支 |
12 |
|
|
紫外石英套管 |
|
支 |
12 |
|||
|
镇流器 |
|
个 |
3 |
|||
|
2 |
系统控制中心 (在配电中心上) |
与配电中心一体 |
|
套 |
1 |
|
|
3 |
配电中心 |
|
|
套 |
1 |
|
|
4 |
液压系统 |
|
|
套 |
1 |
|
|
5 |
在线自动清洗器(与模块配套) |
在线机械加化学清洗 |
|
套 |
1 |
|
|
6 |
模块支架 |
|
|
套 |
1 |
|
|
7 |
紫外光强传感器 |
|
|
套 |
1 |
|
|
8 |
液位传感器 |
|
|
套 |
1 |
|
|
9 |
自动水位控制器 |
|
|
套 |
1 |
|
|
九 |
贮泥池、污泥脱水间 |
|
||||
|
1 |
污泥螺杆泵 |
Q=30m³/h,P=0.6MPa,N=7.5kW |
|
台 |
2 |
与环评一致 |
|
2 |
高压隔膜压滤机 |
Q=15m³/h,N=1.85kW |
|
套 |
2 |
|
|
3 |
一体化溶药加药装置 |
V=300L,N=3.3kW |
|
台 |
1 |
|
|
4 |
计量泵 |
Q=1000L/h,P=0.4MPa,N=0.75kW |
|
台 |
2 |
|
|
5 |
空压机 |
Q=0.36m³/min,P=0.7MPa, N=3.0kW |
|
台 |
2 |
|
|
6 |
螺旋输送机 |
Q=6 m³/h,L=8.5m,N=3.0kW |
|
台 |
1 |
|
|
7 |
倾斜螺旋输送机 |
Q=6 m³/h,L=5.5m,N=3.0kW α=45° |
|
台 |
1 |
|
|
8 |
管道混合器 |
DN200 |
|
个 |
1 |
|
|
9 |
流量计 |
DN25 |
|
个 |
2 |
|
|
10 |
搅拌器 |
QJB0.85/8-260/3-740/c/s,P=0.85KW |
不锈钢 |
台 |
1 |
|
|
11 |
自动冲洗过滤器 |
/ |
铸铁 |
套 |
1 |
|
|
十 |
反冲洗废水池 |
|
||||
|
1 |
潜污泵 |
Q=50m³/h,H=10m,P=3KW |
混合 |
套 |
2 |
与环评一致 |
|
2 |
异径管 |
DN150×DN80 |
钢制 |
个 |
1 |
|
|
3 |
盲板 |
DN150 |
钢制 |
个 |
1 |
|
|
4 |
超声波液位计 |
测量范围:0~20米 |
成品 |
套 |
1 |
|
|
5 |
栏杆 |
|
钢制 |
米 |
26 |
|
|
十一 |
鼓风机房 |
|
||||
|
1 |
空气悬浮离心风机 (带隔音罩) |
Q=30m³ /min,升压=65kPa N=37kW |
成品 |
套 |
2 |
与环评一致 |
|
2 |
法兰盲板 |
DN250 PN=1.0MPa |
钢制 |
个 |
2 |
|
|
3 |
消声帽 |
|
成品 |
个 |
1 |
|
|
4 |
钢格栅盖板 |
1500×1300mm |
钢制 |
个 |
3 |
|
|
5 |
电动葫芦 |
起重1t,提升高度H=6m,起主升电动机P=1.5kw, 运行电动机P=0.2kw |
成品 |
台 |
1 |
|
|
6 |
消声百叶窗 |
1000×1000mm |
|
扇 |
3 |
|
|
十二 |
末端提升泵站 |
|
||||
|
1 |
潜污泵 |
Q=150m³/h,H=40m,P=37KW |
混合 |
台 |
2 |
与环评一致 |
|
十三 |
放空污水提升泵井 |
|
||||
|
1 |
潜污泵 |
Q=300m³/h,H=10m,P=18.5Kw |
成品 |
台 |
2 |
与环评一致 |
|
2 |
爬梯 |
|
成品 |
副 |
2 |
|
|
3 |
管卡 |
|
成品 |
副 |
1 |
|
|
十四 |
厂区污水提升泵井 |
|
||||
|
1 |
潜水排污泵 |
Q=50m³/h,H=12m,N=3.0Kw |
铸铁 |
台 |
2 |
与环评一致 |
|
2 |
自藕装置 |
|
钢制 |
套 |
2 |
|
|
3 |
电源电缆 |
|
|
米 |
10 |
|
|
4 |
液位自动 控制装置 |
|
|
套 |
2 |
|
|
5 |
控制柜 |
户外型 |
|
台 |
1 |
|
|
6 |
爬梯 |
|
钢制 |
个 |
1 |
|
|
7 |
压力表 |
Y-100 |
|
套 |
2 |
|
|
8 |
阀门井 |
2400×1900mm |
砖混 |
|
1 |
|
|
9 |
污水池 |
3250×2500mm |
钢制 |
|
1 |
|
表3.3-2 主要原辅材料及动力消耗一览表
|
序号 |
名称 |
平均用量 |
单位 |
|
1 |
PAM(聚丙烯酰胺) |
7.593 |
t/a |
|
2 |
PAC(碱式氯化铝) |
182.5 |
t/a |
|
3 |
CH3COONa(乙酸钠) |
292 |
t/a |
|
4 |
CaO(生石灰) |
421.94 |
t/a |
|
5 |
FeCl3(氯化铁) |
198.56 |
t/a |
|
6 |
NaClO(次氯酸钠) |
73 |
t/a |
|
7 |
单位电耗 |
0.2758 |
kW ·h/t |
3.4 工艺流程简述
本项目一期、二期建设完成后的污水处理工艺流程及产污节点如下:
(1)扩建污水处理线
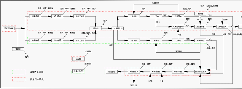
拟建项目扩建污水处理系统主要包括预处理部分、生化处理部分、深度处理部分,工艺流程为:粗格栅过滤→细格栅过滤→旋流沉砂池→调节池→水解酸化池→A2/O池→二沉池→深度处理提升泵池→高效澄清池→反硝化滤池间→消毒池→绿化灌溉;污泥处理工艺为浓缩→调理→脱水。
预处理部分主要包括格栅池、沉砂池、调节池及水解酸化池。格栅池和沉砂池用于去除废水中可沉物和漂浮物,出水进入调节池进行均质均量后经泵提升至水解酸化池,废水通过水解酸化将生物难降解的大分子物质转化为易生物降解的小分子物质,提高废水的可生化性,改善后端生化处理效果。
生化处理部分主要包括A2/O池和二沉池,出水进入厌氧池、缺氧池、好氧池,利用活性污泥中的微生物完成废水中有机物的降解及脱氮除磷过程。好氧池出水进入二沉池进行泥水分离,二沉池的污泥一部分回流,剩余污泥排入污泥浓缩池。
深度处理部分主要包括高效澄清池和反硝化深床滤池。在高效澄清池中通过加入混凝剂和絮凝剂将污水中颗粒物进一步沉淀筛选过滤,经澄清处理后出水进入反硝化深床滤池进一步进行脱氮处理。脱氮出水进入接触消毒池,加入次氯酸钠消毒后用于绿化灌溉(冬季排入中书库储存,次年夏天用于绿化灌溉)。
水解酸化池、二沉池及高效澄清池产生的化学污泥经泵输送至污泥浓缩池。二沉池产生的污泥排入污泥回流池,部分回流至前端生化处理系统,部分作为剩余污泥排放至污泥浓缩池。化学污泥及剩余污泥经污泥浓缩及加药调理后,由污泥螺杆泵打至污泥脱水间进行脱水处理,最后脱水后的污泥在堆场堆存或外运处置。
(2)改建污水处理线
原项目提标改建内容:①原项目废水通过沉砂池后直接进入氧化沟进行生化处理;改建后废水通过沉沙池后进入调节池及水解酸化池处理后在进入氧化沟内进行生化处理。②原项目废水经二沉池处理后,污水输送至紫外线消毒间消毒处理后外派,污泥输送至污泥脱水间脱水处理;改建后废水经二沉池处理后输送至高效澄清池及反硝化滤间进行深度处理,随后通过次氯酸钠消毒池处理后排出,污泥经二沉池处理后通过配水井-浓缩池-调理池-脱水间处理后排放。
原项目改建后污水处理系统主要包括预处理部分、生化处理部分、深度处理部分,工艺流程为:粗格栅过滤→细格栅过滤→旋流沉砂池→调节池→水解酸化池→氧化沟→二沉池→深度处理提升泵池→高效澄清池→反硝化滤池间→消毒池→绿化;污泥处理工艺为浓缩→调理→脱水。
原项目改建污水处理线与扩建项目污水线主要区别在于生化处理部分。原项目生化处理部分以卡鲁塞尔氧化沟为主,扩建项目以A2/O池为主。
拟建项目具体产污节点图见下图3.4-1、3.4-2。
3.5 主要污染工序
(1)废水:主要有生产废水、厂区工作人员产生的生活废水及污水处理厂接纳的城市生活污水、工业废水。
(2)废气:主要来自污水处理厂粗格栅间、细格栅间、污泥浓缩池及污泥脱水间等散发的恶臭。
(3)固废:本项目固废主要有格栅拦截的栅渣(塑料类、废纸团块、布料等)、沉砂池沉砂、脱水污泥、检测废液、化学品包装袋、废气生物膜以及生活垃圾。
(4)噪声:主要各类水泵和污泥泵等设备的噪声。

图3.4-1 夏季运营期工艺流程及产污点位图

图3.4-2 冬季运营期工艺流程及产污点位图
3.6 项目变动情况
根据验收现场调查,结合环境影响评价文件,对照“环办环评函〔2020〕688号”中关于印发《污染影响类建设项目重大变动清单(试行)》的通知,建设项目发生上述变化中的一项或一项以上界定为重大变动。根据验收调查可知,本项目建设内容与环评一致,不属于重大变动。
4 工程建设情况
4.1 污染物治理措施
4.1.1 废气治理措施
本工程生化处理过程中的腐化污水和污泥会散发一定的恶臭气体,由于微生物分解有机物产生的还原性恶臭物质,主要存在于格栅、沉砂池、反应池、污泥堆放区、污泥脱水机房等,通过表面散发和曝气等进入环境。臭气包括氨、硫化氢、甲硫醇、甲硫醚、三甲胺等混合性气体,其中主要的为氨和硫化氢。
采取的措施:为了防止和避免污水处理厂臭味对周围的影响,根据《城镇污水处理厂污染物排放标准》(GB18918-2002),污水处理厂产生恶臭气体的水处理设施包括:预处理、格栅、调节池、水解酸化池、AA/O池、反硝化滤池、污泥浓缩池采用玻璃钢盖顶进行封闭处理;一期工程的粗、细格栅,二期工程的粗、细格栅以及污泥间采用套“负压收集(1800m³/h)+活性炭除臭装置+15m排气筒”设施对臭气进行处理。
由于一期工程中未建设生物除臭装置对无组织恶臭气体进行收集处置,为减少一期工程内恶臭对于周围环境的影响,提标改造及扩建工程中的活性炭除臭装置在设计阶段即考虑了一期工程内产生的恶臭。其除臭装置是在整个厂区的废气产生量的基础上进行设计。
活性炭除臭装置由三个不可分割的子系统组成,即:收集系统;除臭风机及其控制系统;活性炭除臭处理系统。
4.1.2 废水治理措施
本项目废水主要来源于污水处理厂接纳的轻工业园区各企业预处理达标排放的一般工业废水和园区企业产生的生活污水(不接纳化工、印染、制革、屠宰、制糖等重污染项目产生的化工废水、涉重金属废水、高含盐废水和含有持久性有机污染废水),以及厂内工作人员产生的生活污水,主要污染因子为化学需氧量(CODcr)、生化需氧量(BOD5)、悬浮物(SS)、氨氮(NH3-N)。项目厂区生产废水以及工作人员产生的生活污水通过排水管收集后排入粗格栅前池,与接纳的城区生活污水、工业废水一并进入本项目污水处理系统处理后夏季用于园区绿化、洒水降尘及污水处理厂东侧约1000亩生态林灌溉,冬季存储于60万m3中水池。
废水产生及治理措施见表4.1-1。
表4.1-1 废水产生及治理措施
|
类别 |
产生量 |
主要污染物 |
排放方式 |
处理措施及去向 |
|
管网接纳污水、厂区生活污水、厂区生产废水 |
2万(m3/d) |
化学需氧量(CODcr)、生化需氧量(BOD5)、氨氮、悬浮物 |
连续 |
经厂区污水处理系统处理后夏季用于园区绿化、洒水降尘及污水处理厂东侧约1000亩生态林灌溉,冬季存储于60万m3中水池。 |
4.1.3 噪声
本项目噪声主要来源于各类水泵、污泥泵、鼓风机以及厂区内来往的机动车。厂区内设备布置相对分散,彼此之间相对位置较远,通过合理布局,优先选用低噪声设备,生产工艺中水处理池主要噪声源加盖橡胶垫密封,同时加强厂区内绿化建设等降低噪声对周边环境的影响。
主要噪声产生及治理措施见表4.1-2。
表4.1-2 主要噪声产生及治理措施
|
噪声源 |
声级dB(A) |
运行方式 |
治理措施 |
|
水泵、污泥泵、鼓 风机、机动车 |
75~100 |
连续 |
通过合理布局,优先选用低噪声设备,水处理池主要噪声源加盖橡胶垫密封等 |
4.1.4 固废
营运期污水处理厂栅渣产生量为584t/a(一期为146t/a,二期为438t/a),沉砂产生量为219t/a(一期为54.75t/a,二期为164.25t/a),剩余污泥产生量为3102.5t/a,生活垃圾产生量为3.285t/a(一期为2t/a,二期为1.285t/a),检测废液产生量为0.46t/a(一期为0.12t/a,二期为0.34t/a),化学品包装袋产生量为0.5t/a。污泥经均质池后进入脱水机房,采用离心式浓缩脱水一体机脱水后运至阿克陶县垃圾填埋场处置中心统一处理,浓缩和脱水产生的浓缩液、滤液回流至污水粗格栅前池处理。栅渣、沉砂、生活垃圾一并运至阿克陶县垃圾填埋场填埋处理;厂区所产生的废机油及废紫外灯管属于危险废物,废紫外灯管收集后交由紫外灯管生产方处理,废机油收集后暂存于危废间,收集到一定量时交由有相关处理资质的公司处置。
4.1.5 环境风险防范设施
阿克陶县城北轻工业园区污水处理厂建设项目后期运行过程中所使用的化学品主要为PAC(聚氯化铝)、PAM(聚丙烯酰胺)、次氯酸钠和润滑油,其中PAC、PAM均以固态形式储存在加药间,泄漏后进入外环境风险较低,次氯酸钠以液态形式储存在储罐内,放置在加药间。项目危险废物为机械运行产生的废润滑油、实验 室废液、在线监控产生的在线废液,项目建有危废暂存间,并进行了硬化处理,废润滑油、实验室废液、在线废线集中收集在不同的塑料桶内,定期交由有资质 单位处置。项目建有1个事故池,有效容积为970m3。
4.2 其他环保设施
4.2.1 在线监测装置
据现场调查,阿克陶县城北轻工业园区污水处理厂已在本项目进口流量分配井分别安装有COD在线监测设备;在污水厂总排口安装了流量计、COD、氨氮在线监测设备,在线监测设备已与阿克陶县环保系统联网,实现监管部门对污水厂出水排放情况的实时监管。
4.2.2 其他设施
阿克陶县城北轻工业园区污水处理厂环保管理工作由阿克陶县住房和城乡建设局牵头,编制有《阿克陶县城北轻工业园区污水处理厂运行维护安全管理制度》,包含有《防汛应急处置预案》、《处置突发事件工作方案》等环境管理制度。
阿克陶县城北轻工业园区污水处理厂综合楼设有实验室,具备对进、出口污水的 pH 值、化学需氧量、五日生化需氧量、悬浮物、氨氮、总磷、总氮、溶解氧等分析项目的测试能力。
4.3 环保设施投资及“三同时”落实情况
4.3.1 环保设施投资
本项目总投资为10571.4万元(一期投资为1680万元,二期投资为8891.4万元),工程环保投资明细见表4.3-1;环评批复落实情况见表4.3-2、4.3-3。
表4.3-1 项目二次环保投资情况一览表
|
项目 |
环评环保措施及规模 |
实际环保措施及规模 |
环评 投资 (万元) |
实际 投资 (万元) |
||
|
施 工 期 |
废气 |
施工扬尘 |
洒水降尘、料场设蓬、运输加盖篷布、出场汽车轮胎清洗等抑尘措施 |
洒水降尘、料场设蓬、运输加盖篷布、出场汽车轮胎清洗等抑尘措施 |
0.2 |
0.2 |
|
废水 |
施工废水 |
经沉淀池、隔油池收集处理后回用于施工工序。 |
经沉淀池、隔油池收集处理后回用于施工工序。 |
0.1 |
0.1 |
|
|
生活废水 |
生活废水排入厂区污水系统处理 |
生活废水排入厂区污水系统处理 |
/ |
/ |
||
|
噪声 |
施工噪声 |
合理布设施工时间、临时围障、加强设备保养 |
合理布设施工时间、临时围障、加强设备保养 |
2 |
2 |
|
|
固废 |
施工固废 |
建筑垃圾和弃土石方统一收集后运至当地垃圾填埋场填埋处理。 |
建筑垃圾和弃土石方统一收集后运至当地垃圾填埋场填埋处理。 |
0.5 |
0.5 |
|
|
生活垃圾 |
依托已建场区垃圾收集箱统一收集后定期运至当地垃圾填埋场填埋处理。 |
依托已建场区垃圾收集箱统一收集后定期运至当地垃圾填埋场填埋处理。 |
/ |
/ |
||
|
运 营 期 |
废气 |
污水处理恶臭 |
采取“负压收集(1800m³/h)+活性炭除臭装置+15m排气筒”措施治理格栅间和污泥处理间污水处理恶臭,共设置5套装置 |
恶臭采用活性炭吸附工艺处理污水处理厂产生的恶臭气体 |
4 |
4 |
|
废水 |
园区废水 |
园区废水采用预处理(粗格栅+细格栅+旋流沉砂池+水解酸化)→生化处理(A2/O池+二沉池)→深度处理(高效澄清池+反硝化滤池)→消毒处理(次氯酸钠消毒法);污泥处理工艺为:浓缩→调理→脱水。 |
污水处理厂经过提升和改造后的污水处理工艺为“预处理+生化处理+深度处理+消毒处理” |
/ |
/ |
|
|
生活废水 |
生活废水排入厂区污水系统处理 |
生活污水排入污水处理厂处理系统 |
/ |
/ |
||
|
噪声 |
设备运行噪声 |
厂房隔音、基础减振、水中、地下布置 |
噪声采用隔音、基础减振等措施 |
/ |
/ |
|
|
固体废物 |
格栅渣 |
应进行危废鉴定,经鉴定后,一般固废运至垃圾填埋场与生活垃圾混合填埋或作为垃圾填埋场覆盖土,以保证土壤环境不受污染;若为危废,在危废间暂存,定期交由有资质的单位处理。 |
一般固废运至垃圾填埋场与生活垃圾混合填埋或作为垃圾填埋场覆盖土,以保证土壤环境不受污染;危废,在危废间暂存,定期交由有资质的单位处理。 |
8 |
8 |
|
|
沉沙 |
||||||
|
废弃 生物膜 |
||||||
|
污泥 |
||||||
|
生活垃圾 |
运至垃圾处理场填埋处理 |
运至垃圾处理场填埋处理 |
||||
|
检测废液 |
检测废液暂存于危废间,定期交有资质的单位进行处理。 |
检测废液暂存于危废间,定期交有资质的单位进行处理。 |
10 |
10 |
||
|
化学 包装品 |
化学品包装物暂存于危废间,由供货厂家定期回收利用 |
化学品包装物暂存于危废间,由供货厂家定期回收利用 |
/ |
/ |
||
|
地下水 |
监测井 |
新建2口监测井 |
新建2口监测井 |
3 |
3 |
|
|
防渗 |
厂区内进行分区防渗 |
厂区内进行分区防渗 |
5 |
5 |
||
|
数据分析 |
监测水井定期采样,委托单位化验分析 |
监测水井定期采样,委托单位化验分析 |
5 |
5 |
||
|
绿化 |
/ |
绿化24509.18m2 |
绿化24509.18m2 |
/ |
/ |
|
|
环境风险 |
/ |
风险应急预案:①指挥小组,应急物质等;②指挥中心,专业救援、应急监测、应急物资;③职工培训、公众教育等。 |
风险应急预案:①指挥小组,应急物质等;②指挥中心,专业救援、应急监测、应急物资;③职工培训、公众教育等。 |
1 |
1 |
|
|
设备维修 |
/ |
运营期间设备维护及维修 |
运营期间设备维护及维修 |
10 |
10 |
|
|
环保二次投资 |
|
48.8 |
48.8 |
|||
4.3.2 “三同时”落实情况
(1)一期工程“三同时”落实情况
根据《阿克陶县城北轻工业园区生活污水处理厂建设项目》及批复内容,一期工程环保措施落实情况如下:
表4.3-2 一期工程环评批复环保措施落实情况一览表
|
序号 |
污染源 |
批复要求环保措施 |
环保措施落实情况 |
整改措施 |
|
1 |
废气 |
设置生物除臭装置对臭气进行处理;设置卫生防护距离100米,厂区周边100米范围内不设置敏感建筑物 |
生物除臭装置未落实,卫生防护距离已落实 |
项目粗格栅间、细格栅间及污泥处理间内设置“负压收集器(1800m³/h)+活性炭除臭装置+15m排气筒”对污水处理废气进行处理。 |
|
2 |
废水 |
出水满足《城镇污水处理厂污染物排放标准》(GB18918-2002)一级A标准,尾水夏季用于绿化降尘,冬季储存在中水池中。 |
尾水夏季用于绿化降尘已落实;未设置中水池储存冬季尾水,冬季尾水排入生态林。 出水不满足《城镇污水处理厂污染物排放标准》(GB18918-2002)一级A标准。 |
本次污水处理厂提升改造项目,对现有设备进行改进,并增加“化学沉淀+反硝化滤池”法工序,解决出水水质不达标的问题。对于原有设备问题,环评提出以下要求:对于格栅机设备老化,效率低下,本环评要求更换粗格栅机的两道格栅以及细格栅机的两道中格栅和两道细格栅;对于原项目细格栅间中旋流沉砂池无法过滤砂粒物,本环评要求对其进行检查修理;对于原项目氧化沟采取表层曝气方式导污水处理效率低下及污泥老化问题,本环评要求将表层曝气方式改为底层曝气;对于污泥回流泵故障问题,本环评要求对其进行修理;对于原项目紫外线消毒装置故障问题,根据本次工程设计要求,对原项目紫外线消毒装置进行修复,放置备用,原项目废水消毒流程共用拟建项目消毒设施,消毒措施改为次氯酸钠消毒法。 |
|
设置污水管线在线监测装置,排污口设置标识,废水污染源在线监测系统与克州生态环境局联网。 |
污水管线在线监测装置无法满足日常监测需要,污水在线监测系统未与克州环境局联网。 |
本次项目建设中按规范安装在线监测装置与地区环保局联网,在线设备正常运行。 |
||
|
3 |
噪声 |
加大噪声管理,采取降噪措施 |
已采取厂房隔音、基础减振等措施 |
/ |
|
4 |
固废 |
污泥按照有关标准和分析方法检测认定,属于危险废物的按《危险废物贮存污染物控制标准》(GB18597-2001)相关要求贮存和运输,定期交由有资质的单位进行处理;当鉴别为一般固废时,经脱水处理后含水率小于60%运至当地垃圾填埋场填埋处理;生活垃圾集中收集,定期运至当地垃圾填埋场填埋处理。 |
污泥处理措施已落实,定期请有资质的第三方单位进行污泥含水量测定,1次/月;生活垃圾处理措施已经落实。 |
/ |
|
5 |
地下水 |
设置防渗措施,污水厂下游布设一个地下水监测井并定期委托有资质的单位进行监测 |
防渗措施已经落实;但未设置地下水监测井。 |
本次利用项目区下游的地下水井作为地下水观测井 |
|
6 |
应急措施 |
编制应急预案 |
已经落实 |
/ |
(2)二期工程“三同时”落实情况
表4.3-3 二期工程环评批复环保措施落实情况一览表
|
序号 |
批复要求环保措施 |
环保措施落实情况 |
落实 情况 |
|
1 |
严格落实施工期各项环保措施。加强项目施工期间环境保护管理,防止施工期废水、扬尘、固体废物和噪声对周围环境产生不利影响。严格控制施工占地,减少对项目区域地表的扰动,施工结束后及时进行地貌恢复。 |
本项目施工期严格按照环评及批复要求进行施工建设,竣工验收调查期间未发现遗留问题。 |
已落实 |
|
2 |
严格落实大气污染防治措施。格栅间、污泥浓缩池、污泥调理池和污泥脱水车间等产生的废气采取“负压收集+活性炭除臭”处理后,通过15m排气筒排放,恶臭气体有组织排放须符合《恶臭污染物排放标准》(GB14554-93)中的表2排放限值;调节池、水解酸化池、A2/O池、反硝化滤池、污泥浓缩池利用玻璃钢材料封闭后采用活性炭除臭。加强厂区绿化,严格控制无组织恶臭排放,厂界无组织恶臭污染物浓度须符合《城镇污水处理厂污染物排放标准》(GB18918-2002)(及修改单)中的二级标准要求。 |
本项目恶臭气体采用“负压收集+活性炭除臭”工艺进行处置,根据监测结果显示,项目区内有组织废气均满足《恶臭污染物排放标准》(GB14554-93)中的表2排放限值;无组织废气满足《城镇污水处理厂污染物排放标准》(GB18918-2002)(及修改单) |
已落实 |
|
3 |
本项目150m卫生防护距离内不得规划建设学校、医院、居民点等对环境空气质量要求较高的建筑和设施。 |
本项目区周围150m范围内无学校,医院、居民点等 |
已落实 |
|
4 |
严格落实各项水污染防治措施。污水处理厂的进水口、出水口设置污水在线监控设备并与生态环境部门联网,对进水水质、水量严格监控。本项目处理后的达标排水仅用于园区洒水抑尘、绿化和企业回用,不得用于农灌。处理后水质须达到《城镇污水处理厂污染物排放标准》(GB18918-2002)一级A标准。灌溉期水质同时满足《城市污水再生利用城市杂用水水质》(GB/T18920-2002)和《城市污水再生利用绿地灌溉水质》(GB/T25499-2010)标准后分别用于工业园区绿化和生态林灌溉,非灌溉期排入中水库贮存。 |
本项目经过提标改造后废水满足《城镇污水处理厂污染物排放标准》(GB18918-2002)一级A标准后用于工业园区绿化和生态林灌溉,非灌溉期排入中水库贮存。 |
已落实 |
|
5 |
项目区域地下水埋深浅,厂址区附近分布有农灌渠、农田和居民区等,项目建设须采取最严格的环境风险防范措施和环境监控计划。严禁生态林过度灌溉、污水直排和用于农灌。按要求设置地下水监控井,进行跟踪监测,杜绝污染事故发生。 |
根据验收调查项目区下游设置有地下水监测井,用于观测厂区地下水现 |
已落实 |
|
6 |
严格落实噪声防治措施。选用低噪声设备,产生机械噪声的设备安装在厂房内,并进行减振降噪处理;厂界四周设绿化隔离带。运营期厂界噪声值须满足《工业企业厂界环境噪声排放标准》(GB12348-2008)3类功能区噪声限值要求。 |
厂区内设备选用低噪声设备,同时设置减振垫、绿化隔离带等。根据验收监测结果显示,厂界噪声满足《工业企业厂界环境噪声排放标准》(GB12348-2008)3类功能区噪声限值要求。 |
已落实 |
|
7 |
严格落实各项固体废物处置措施。栅渣、沉砂和污泥按有关标准和分析方法检测鉴定,属于危险废物的,定期交由具有相应危险废物处置资质的单位安全处置;如鉴别为一般固体废物时,经脱水处理后,污泥含水率须小于60%,满足《生活垃圾填埋场污染控制标准》(GB16889-2008)的相关要求后,方可运至阿克陶县垃圾填埋场处理。化学品包装物(HW49)和实验室检测废液(HW49)属于危险废物,须交由具有相应处置资质的单位安全处置;生活垃圾统一收集,定期清运至阿克陶县生活垃圾处理场处理。危险废物收集、贮存、运输须满足《危险废物贮存污染控制标准》(GB18597-2001)及其修改单、《危险废物收集、贮存、运输技术规范》(HJ2025-2012)及《危险废物转移联单管理办法》的要求。一般工业固体废物贮存须满足《一般工业固体废物贮存、处置场污染控制标准》(GB18599-2001)要求。 |
本项目栅渣、沉砂和污泥经检测属于一般固废,同生活垃圾一起拉运至阿克陶县垃圾填埋场进行处置;验收期间危险废物产生,污水处理厂已于有资质的单位签订危废处置协议 |
已落实 |
|
8 |
强化环境风险防范和应急措施。园区须建立区域应急联动机制,企业须建立严格的环境与安全管理体制,制订完善的环保规章制度,按照《关于印发<企业事业单位突发环境事件应急预案备案管理办法(试行)>的通知》(环发〔2015〕4号)要求做好环境应急预案的编制、评估、备案工作,并定期演练。严格按照《环境影响评价技术导则地下水环境》(HJ610-2016)中的相应要求落实分区防渗措施,防止对地下水和土壤产生污染。设置足够容积的事故池,用于事故状态下及非正常工况下的废水收集,收集废水待故障排除后重新返回处理,严禁不达标废水直接排放。严格操作规程,做好运行记录,定期检修,发现隐患及时处理,杜绝非正常工况及事故排放对环境产生影响。进水口和出水口监测数据出现异常,应立即启动应急预案 |
本项目编制有突发环境事件应急预案,并在当地环保部门进行备案,厂区相应区域按照相关要求进行防渗处理。 |
已落实 |
|
9 |
按照排污口设置及规范化整治管理的相关规定设置各类排污口,按要求标识。规范建设废水污染源在线自动监控设施并与生态环境部门联网,确保正常运行。加强自动监测数据有效性审核等工作。 |
厂区内建设有规范的排污口 并配备安装在线监测仪,能监测化 学需氧量、氨氮、流量等主要水质指标,公司建立了环境管理与监测制度,污水处理厂和提升泵站配备有双电源和发电设备。 |
已落实 |
|
10 |
加强排污企业运行监管,进入污水处理厂的各企业外排污水须进行预处理,达到污水处理厂接纳要求后方可接入。 |
污水处理厂接收的废水均满足进水设计要求 |
已落实 |
|
11 |
项目运行期必须严格执行区域污染物排放总量控制要求,确保各类污染物排放总量控制在核定的指标内(化学需氧量314.81t/a,氨氮27.72t/a)。严格控制恶臭污染物排放。做好与排污许可证申领的衔接,在排污许可证中载明批准的环境影响报告书中各项环境保护措施、污染物排放清单等的执行情况及其他有关内容,并按证排污。 |
根据验收调查及分析,项目总量控制未超出环评批复要求,同时污水处理厂已完成排污许可的上报和变更工作 |
已落实 |
|
12 |
严格落实环境保护“三同时”要求,加快中水库和中水管网的选址论证、环境影响评价和建设工作,确保上述工程与提标改造工程同步实施和运行。上述工程未建成或中水无法全部消纳时,本提标改造工程不得投用。本项目“以新带老”措施的落实情况和现有工程遗留环境问题的整治纳入工程竣工环保验收。 |
根据竣工验收调查,本项目一期工程遗留的问题已全部按照环评报告中的整改要求进行整改处理,符合竣工验收要求 |
已落实 |
|
13 |
开展施工期环境监理,并纳入项目竣工环保验收工作。 |
本项目施工期间委托监理单位对项目施工进行环保监理工作 |
已落实 |
5 环评主要结论与建议及审批部门审批决定
5.1 污水处理厂一期工程环评主要结论与建议
5.1.1 环评主要结论与建议
(一)项目概况
项目名称:阿克陶县城北轻工业园区生活污水处理厂建设项目;
建设单位:阿克陶县住房和城乡建设局;
建设地点:阿克陶县城北轻工业园区东南侧,地理坐标为东经76°1′28.410″,北纬39°14′43.14″;
建设性质:新建;
工程总投资及资金来源:项目投资1680万元,其中环保投资1680万元,占总投资的100%;
建设内容:污水厂生活污水处理规模为5000m³/d。主要建(构)筑物有进水控制井、格栅、二级提升泵房、沉砂池、氧化沟、二沉池、紫外线消毒车间、污泥脱水车间、回流及剩余污泥泵池、鼓风机房、中水池等其他辅助设施。
(二)产业政策和区域规划符合性
根据《国务院关于发布实施<促进产业结构调整暂行规定>的决定》国发 (2005) 号文本项目属于城市环境基础设施改善类工程,属于《产业结构调整指导目录》(2019年本)鼓励类二十二项第7条“城镇安全饮水工程、供水水源及净水厂工程”,项目符合国家产业政策。
本项目所用设备不属于《部分工业行业淘汰落后生产工艺装备和产品指导目录(2010年本)》(国家工业和信息化部,工产业[2010]第122号)。因此,本次项目设备符合国家相关政策的规定。
(三)项目规划符合性和选址合理性分析结论
(1)与相关规划符合性
本项目为新建工程,项目所在场地为非基本农田保护区,阿克陶县城北轻工业园区符合县土地利用规划。
(2)项目选址合理性分析
本项目污水厂位于阿克陶县城北轻工业园区东南侧,占地面积为5公顷。占地类型为规划的排水设施用地,拟建项目占地选址符合规划要求和规划环评及其批复要求。建项目不占用农田、林地、草地;建项目厂界外2km范围内无居住区、医院、学校等环境敏感点;环境评价区范围内无城镇集中式饮用水水源地,无自然保护区等。项目所在区域内电力、电讯、给水、交通等基础配套设施齐全。具体位置见图3.1-1。
从环境承载力角度看,项目所在地环境空气质量满足《环境空气质量标准》 (GB3095-2016)中二级标准限值的要求;项目所在地声环境质量满足《声环境质量标准》(GB3096-2008)3类标准要求;项目地表水质满足《地下水质量标准》(GB/T14848-2017)III类标准要求,说明区域地下水水质情况较好。
项目建设用地符合平等乡总体规划。管网设计方案能够充分利用重力流,管线沿道路布置,施工较方便。综上所述,本项目的选址合理。
(四)区域环境质量现状
项目所在地环境空气质量能满足《环境空气质量标准》(GB3095-2012)中二级标准 要求;项目所在地声环境满足《声环境质量标准》(GB3096-2008)3类标准要求;项目地下水指标均能满足《地表水环境质量标准》(GB3838-2002)中Ⅲ类标准要求。
(五)施工期环境影响结论
严格按规范要求,加强对施工噪声、施工扬尘、机动车尾气、施工废水、施工渣土、生态环境等环境管理,杜绝施工期污染物的无序排放,加强水土流失防治,缓减对区域生 态环境的影响。
(六)运营期环境影响结论
项目运营期主要大气污染物为格栅间、沉砂池、贮泥池、污泥脱水机房恶臭,故污水处理厂除臭设备采用生物除臭装置。对项目区及周边环境影响甚微。
项目运行期间产生的污废水主要为新增人员的生活污水和污水处理后尾水。污水处理后尾水出水达到《城镇污水处理厂污染物排放标准》(GB18918-2002)及修改单中一级A标准,夏季用于园区绿化、洒水降尘及污水处理厂东侧约1000亩生态林灌溉,冬季存储于60万m3中水池。
项目噪声主要为泵、风机、搅拌设备等。经选用低噪声泵、风机、搅拌设备,离心风机和离心浓缩脱水一体机,加装了隔声罩,加强设备维护管理使得昼间、夜间厂界噪声叠加值均低于《工业企业厂界环境噪声排放标准》(GB12348-2008)中3类标准限值。
项目运营期固废主要为员工生活垃圾、格栅渣、沉砂排砂和污泥。生活垃圾、格栅渣、沉砂排砂由厂内工作人员统一收集后交由阿克陶县环卫部门定期清运填埋处置。危废暂存间要求门口设置标识标牌和危废信息板,定期交由当地有相应危废处置资质的单位拉运处置,对项目区及周边环境影响较小。
(七)环境影响评价总体结论
本项目的建设促进经济的发展等方面将发挥巨大的作用,工程建设的环境效益、社会效益、经济效益显著。严格落实本环评提出的环保措施后,工程营运期间的环境影响不大。因此,在采取本报告提出的防治措施的前提下,从环保角度讲阿克陶县城区污水处理厂扩建工程项目的建设是可行的。
(八)建议
①运营过程中建设单位应严格执行环评报告提出的各项污染控制措施,减少废气、噪声及废水对周围环境带来的污染。
②厂区内设备、设施进行定期维修及日常性的维护检查,发现问题及时解决,杜绝事故的发生。
5.1.2 审批部门审批决定
《关于阿克陶县城北轻工业园区生活污水处理厂建设项目环境影响报告表的批复》(克环评函)
阿克陶县住房和城乡建设局:
你局《关于申请阿克陶县城北轻工业园区生活污水处理厂建设项目环境影响报告表审批的函》及相关附件材料均收悉。经研究,批复如下:
一、阿克陶县城北轻工业园区生活污水处理厂位于阿克陶县城北轻工业园东南侧,项目占地面积为5hm2。本项目分两期进行建设,近期处理规模5000m3/d(2020年),远期处理规模7000m3/d(2030年)。采用氧化沟处理工艺,污水处理厂主要建构筑物包括进水控制井、格栅、二级提升泵房、沉砂池、氧化沟、二沉池、紫外线消毒车间、污泥脱水车间、回流及剩余污泥泵池、鼓风机房、中水池等和其他辅助设施。设计出水指标为《城镇污水处理厂污染物排放标准》一级A标准。采暖依托园区集中供热系统供热。总投资为1680万元,其中环保投资1680元,占总投资比例达到100%。
根据重庆大润环境科学研究院有限公司编制的《阿克陶县城北轻工业园区生活污水处理厂建设项目环境影响报告表》(以下简称《报告表》)的评价结论和阿克陶县生态环境分局关于《报告表》的初审意见(陶环初审字﹝2019﹞19号)从环境保护的角度,原则同意该项目按照《报告表》所列地点、性质、规模、采用的生产工艺及环境保护措施建设。
二、在工程设计、建设和环境管理中要认真落实《报告表》提出的各项环保要求,严格执行环保“三同时”制度,确保各类污染物稳定达标排放,并达到以下要求:
(一)施工期严格按照设计和环评要求,落实施工期扬尘治理措施,控制工程用地和施工范围,避免和减缓工程建设对生态环境的不利影响。
(二)运营期建设生物除臭装置,对项目产生的臭气进行处理,去除率达到90%,废气浓度须满足《城镇污水处理厂污染物排放标准》(GBl8918-2002)厂界废气排放最高允许浓度一级标准限值。该工程卫生防护距离确定为100米,厂界100米范围内不应建设居住区等敏感建筑物。
(三)加强污水处理厂运行监管,确保污水达标处理。加强对日常运营中污水处理设施和污水管线的监控,安装废水在线监测装置,污水处理厂尾水须满足《城镇污水处理厂污染物排放标准》(GBl8918-2002)中的一级A标准,夏季用于园区绿化、洒水降尘及污水处理厂东侧约1000亩生态林灌溉,冬季存储于60万m3中水池中。
(四)落实防渗措施,防止地下水污染。各污水处理构筑物边侧及池底均须按设计采取相应防渗措施,避免污染地下水。运营期做好地下水跟踪监测,在污水处理厂下游布设1个地下水监测并,委托有资质的检测单位定期进行监测,将检测报告信息内容定期公开。
(五)加大噪声管理。通过降低噪声措施,噪声满足《工业企业厂界环境噪声排放标准》(GB12348-2008)中3类标准要求。
(六)做好固体废物收集、贮存、综合利用和处置(理)工作。本项目产生的污泥应按有关标准和分析方法检测认定,属于危险废物的按《危险废物贮存污染物控制标准》(GBl8597-2001)相关要求贮存和运输,定期交有危险废物处置资质的机构安全处置,不得擅自处理;当鉴别为一般固废时,经脱水处理后,污泥含水率须小于60%,方可运至当地生活垃圾填埋场卫生填埋;生活垃圾集中收集,定期运至当地生活垃圾填埋场卫生填埋。
(七)强化环境风险防范和应急措施。建立严格的环境与安全管理体制,制订完善的环保规章制度,按照《突发环境事件应急预案管理暂行办法》(环发〔2010〕113号)要求做好环境应急预案的编制、评估和备案等工作,并定期演练。严格操作规程,做好运行记录,定期检修,发现隐患及时处理,杜绝盲目生产造成非正常工况及事故排放对环境产生影响。
(八)规范排污口设置和标识。废水污染源在线自动监控设施与克州生态环境局联网,确保正常运行,进一步加强企业污染源自动监控验收及自动监测数据有效性审核等工作。按照排污口设置及规范化整治管理的相关规定设置各类排污口,按要求标识。
三、项目运行期必须严格执行污染物排放总量控制要求,根据《报告表》预测,该工程投运后,可削减化学需氧量63875吨/年、氨氮63.875吨/年、总磷6.38吨/年,你单位应加强污水处理系统日常管理,确保污水稳定达标排放。
四、你单位应按《报告表》及批复要求建设各项环保设施,项目工程竣工后,须按规定程序开展竣工环境保护验收,验收合格后,方可正式投入运行。如工程的性质、规模、地点、工艺、防治污染、防止生态破坏的措施发生重大变动,须报我局重新审批。自环评批复文件批准之日起,如工程超过5年未开工建设,环境影响评价文件应当报克州生态环境局重新审核。
五、你单位应在收到本批复后20个工作日内,将批准后的《报告表》送至阿克陶县生态环境分局,并按规定接受各级环境保护行政主管部门的监督检查。
5.2 污水处理厂二期工程环评主要结论与建议
5.2.1 环评主要结论与建议
5.2.1.1 拟建项目建设概况
阿克陶县城北轻工业园污水处理厂改扩建与提标工程位于阿克陶县城北轻工业园东南侧,拟建项目厂区中心地理坐标E76° 1'28.41" ,N39°14'43.14"。拟建项目占地面积137亩。拟建项目为环保工程,总投资8891.4万元。拟建项目近期污水处理规模为20000m³/d,远期为30000m³/d。
拟建项目的主要建设内容包括进水控制井、格栅间及污水提升泵房、细格栅和旋流沉砂池间、调节池、水解酸化池、A2/O池、二沉池、消毒间、污泥回流泵池、污泥脱水间、污泥浓缩池、鼓风机房、深度处理提升泵池、高效沉淀池间、反硝化深床滤池间、接触消毒池及出水计量槽、反冲洗废水池、加药间、事故池等。拟建项目出水水质执行《城镇污水处理厂污染物排放标准》(GB18918-2002)表1中一级A标准,处理后中水用于园区绿化、生态林灌溉等,冬季出水暂存在中水池中。
5.2.1.2 环境质量现状
(1)环境空气
拟建项目位于阿克陶县,根据当地生态环境主管部门发布的《阿克陶县重点功能区环境质量监测-2018年第一季度》,阿克陶县 SO2、NO2、CO、PM2.5、O3均满足《环境空气质量标准》(GB3095-2012)二类区标准要求,PM10超过《环境空气质量标准》(GB 3095-2012)二类区标准要求,拟建项目所属区域为不达标区域。特征污染因子监测点位的NH3、H2S的小时浓度平均值小于《环境影响评价技术导则 大气环境》(HJ2.2-2018)附录D中浓度限值。
(2)水环境
拟建项目地下水监测点位中1#监测点中总硬度、溶解性总固体、硫酸盐超标;2#监测点中总硬度、溶解性总固体、氯化物、硫酸盐超标;3#监测点中总硬度、溶解性总固体、硫酸盐超标。各监测点地下水检测数据超标原因可能为阿克陶县土壤盐碱化严重,地下水矿化度较高。
拟建项目周边地表水断面水质符合《地表水环境质量标准》(GB3838-2002)Ⅴ类标准,水质状况良好。
(3)声环境
拟建项目区四周厂界的昼间、夜间等效声级均满足《声环境质量标准》(GB3096-2008)中的3类区标准要求。拟建项目所在区域声环境质量较好。
(4)土壤环境
拟建项目1#土壤监测点、2#土壤监测点、3#土壤监测点和4#土壤监测点土壤评价因子指标均满足《土壤环境质量标准 建设用地土壤污染风险管控标准(试行)》(GB36600-2018)表1风险筛选值(第二类用地)要求;5#土壤监测点和6#土壤监测点土壤评价因子指标均满足《土壤环境质量·农用地土壤污染风险管控标准(试行)》(GB15618-2018)中表1土壤环境质量评价指标和限值要求。评价区域内土壤环境质量较好。
5.2.1.3 污染物排放情况
(1)大气污染物排放情况
拟建项目运营期间产生废气主要为废水处理恶臭,恶臭主要成分为氨气和硫化氢,恶臭源主要分布在格栅单元和污泥处理单元。其中原项目格栅单元产生氨气1.3484t/a,硫化氢0.0522t/a;拟建项目格栅单元产生氨气4.0453t/a,硫化氢0.1566t/a;拟建项目污泥处理单元产生氨气2.3006t/a,硫化氢0.0891t/a。
本环评要求设置以下措施治理废水处理恶臭。(1)“负压收集(1800m³/h)+活性炭除臭装置+15m排气筒”措施对格栅间和污泥处理间废水恶臭进行处理;(2)采取封闭污泥泵、污泥调理池措施治理污泥处理间相关废气;(3)厂区内进行绿化,栽植对臭气有一定吸附作用的乔、灌木和花卉,在厂区周围种植高大乔木作为隔离屏障。
废水处理恶臭经相关措施治理后,排放情况如下:(1)原项目格栅单元排放氨气0.26968t/a,硫化氢0.01044t/a。(2)拟建项目格栅单元排放氨气0.80906t/a,硫化氢0.03132t/a。(3)拟建项目污泥处理单元排放氨气0.46012t/a,硫化氢0.01782t/a。
(2)废水污染物排放情况
废水处理总规模为20000m³/d,出水水质执行《城镇污水处理厂污染物排放标准》(GB18918-2002)表1中一级A标准。总体工程废水污染物总量控制指标为CODCr314.813t/a、NH3-N27.722t/a、总磷3.65t/a,总氮82.125t/a。
(3)噪声污染物排放情况
拟建项目运营期间会产生一定设备运行噪声,设备噪声源强在80~95dB(A)之间,通过采取厂房隔音、基础减振、地下布置、水下布置等措施后,设备运营期间噪声源强在55~80dB(A)之间。
(4)固废污染物排放情况
拟建项目运营期产生固废包括格栅渣、沉沙、污泥、化学品包装物、生活垃圾、实验室废液、化学品包装物及废弃生物膜。其中格栅渣产生量为584t/a,沉沙产生量为219t/a,生活垃圾产生量为3.285t/a,生产少量废弃生物膜。生活垃圾运至阿克陶县生活垃圾填埋场处理。栅渣、沉沙、废弃生物膜应进行危废鉴定,若鉴定为一般固废,运至垃圾填埋场与生活垃圾混合填埋;若为危废,在危废间暂存,定期交由有资质的单位处理;污泥产生量为3102.5t/a,污泥产生后应进行危废鉴定,若鉴定为一般固废,运至垃圾填埋场与生活垃圾混合填埋或作为垃圾填埋场覆盖土;若为危废,在危废间暂存,定期交由有资质的单位处理。检测废液产生量为456.25kg/a,检测废液暂存于危废间,定期交有资质的单位进行处理;化学包装品产生量为0.5t/a,化学包装品暂存于储药间,由供货厂家定期回收利用。
5.2.1.4 环境影响评价结论
(1)环境空气影响
拟建项目大气环境评价等级为二级,在采取以新代老等废气污染防治措施后,运营期间可削减部分废气污染物排放量,改善项目周边空气环境质量。
(2)水环境影响
拟建项目废水处理达标后,用于绿化灌溉,对项目区周边水环境影响较小。
项目在各种防渗措施齐备、各种设施正常运营的情况下,项目的运营生产对地下水环境的影响较小。
(3)声环境影响
在严格采取本环评提出的降噪措施后,厂界噪声贡献值可满足《工业企业厂界环境噪声排放标准》(GB12348-2008)3类区标准要求,拟建项目建成后厂界噪声对周围声环境影响较小。
(4)土壤环境
拟建项目采取有效的防渗措施和固废处理措施后,项目运营过程产生的废物对厂区及周边土壤环境影响较小。
(5)固体废物
拟建项目采取有效的固废处置措施,固体废物均可得到妥善处理,对周围环境影响较小。
5.2.1.5 环境保护措施
(1)废气治理措施
拟建项目产生废气为污水处理恶臭,恶臭污染源主要分布在格栅间及污泥处理间,恶臭主要成分为硫化氢和氨气。本环评要求设置“负压收集(1800m³/h)+活性炭除臭装置+15m排气筒”措施对格栅间和污泥处理间废水恶臭进行处理;采取封闭污泥泵、污泥调理池措施治理污泥处理间相关废气;厂区内进行绿化,栽植对臭气有一定吸附作用的乔、灌木和花卉,在厂区周围种植高大乔木作为隔离屏障。
(2)废水治理措施
拟建项目采用三级污水处理工艺处理园区废水,污水处理工艺流程为:预处理(粗格栅+细格栅+旋流沉砂池+水解酸化)→生化处理(A2/O池+二沉池)→深度处理(高效澄清池+反硝化滤池)→消毒处理(次氯酸钠消毒法);污泥处理工艺为:浓缩→调理→脱水。出水水质执行《城镇污水处理厂污染物排放标准》(GB18918-2002)表1中一级A标准,处理后中水用于园区绿化、生态林灌溉等,冬季出水暂存在中水池中。
(3)地下水环境保护措施
拟建项目地下水污染防治措施按照“源头控制、分区防治、污染监控、应急响应”相结合的原则,从污染物的产生、入渗、扩散、应急响应进行控制。源头监控:定期检查污水处理设施,发现仪器设备故障及发生泄露情况时及时上报进行处理。过程防渗:按照“分区设防、考虑重点、辐射全面”的防渗原则,对场区开展防渗工程。事故治理:并设置监测井定期对地下水水质进行监测,及时发现泄露情况,并用水泵在下游监测井抽取事故废水进行紧急处理。
(4)噪声治理措施
采取“厂房隔声、加强绿化、基础减振、地下安装及水中安装低噪声设备”等噪声治理措施。
(5)固废治理措施
污水处理厂运行过程中产生的固废包括格栅渣、沉沙、污泥、废弃生物膜、生活垃圾、化学品包装物和检测废液。
生活垃圾统一收集,运至阿克陶县生活垃圾填埋场处理。格栅渣、沉沙、污泥、废弃生物膜应进行危废鉴定,若鉴定为一般固废,运至垃圾填埋场与生活垃圾混合填埋或作为垃圾填埋场覆盖土;若为危废,在危废间暂存,定期交由有资质的单位处理。化学品包装物暂存于危废间,由供货厂家定期回收利用;检测废液暂存于危废间,定期交有资质的单位进行处理。
5.2.1.6 公众意见采纳情况
根据建设单位编制的《公众参与说明书》:工程公众参与采取多种形式,使工程所在区域相关部门、公众能够充分了解拟建项目建设对环境及个人的影响情况并反映其意愿,避免在工程实施过程中对公众利益构成危害或威胁。结果表明,社会各界公众均支持拟建项目的建设,认为工程的建设将会给当地带来有益影响,公示期间未收到反对意见。
5.2.1.7 环境影响经济损益分析
拟建项目为环保工程,总投资8891.4万元,二次环保投资48.8万元。拟建项目充分利用当地的原料、人才和区域优势,使生产能力有所提高。同时,拟建项目的建设吸收了当地就业,为当地提供财政收入,带动了地方经济的发展。拟建项目具有较好的经济、社会及环境效益,在确保环保投资,并保证环保设施正常运行情况下,该项目从环境经济损益的角度考虑是可行的。
5.2.1.8 评价结论
拟建项目建设符合国家产业政策要求;符合相关规划,选址合理。拟建项目采取的工艺技术与设备较先进,污染物排放得到有效控制,注重资源和能源的综合利用。在认真落实本次环评提出的各项污染防治措施,强化环境管理、确保环保设施正常稳定运转,主要污染物可达标排放。在采取有效风险防范措施的前提下,从满足环境质量目标要求分析,项目的建设是可行的。
5.2.2 建议和要求
拟建项目如日后另行增加本报告未涉及的其它污染源、变更选址或总体布局,须按规定进行环境影响评价和排污许可申报。
本项目不包括中水库和中水管网的建设,本次环评对后续中水库和中水管网建设提出建议和要求:
(1)建设单位需与相关部门协调,落实消耗中水的生态林位置。
(2)建设单位尽快对中水库和中水管网进行立项,中水库需进行选址可行性论证,中水库及其中水管网建设需单独进行环境影响评价,尽快完成中水库和中水管网项目的建设、竣工环境保护验收等工作。
(3)若中水库建设不能在2021年冬季之前建设投入运行,需采取控制进水规模等措施,确保冬季中水不直接排入生态林,避免造成过度灌溉、污染地下水等问题。
5.2.3 审批部门审批决定
《关于阿克陶县城北轻工业园污水处理厂改扩建与提标工程环境影响报告书的批复》(新环审〔2020〕214号)批复如下:
阿克陶县住房和城乡建设局:
你局《关于<阿克陶县城北轻工业园污水处理厂改扩建与提标工程环境影响报告书>审批的申请》及相关附件材料收悉。经研究,批复如下:
一、阿克陶县城北轻工业园区生活污水处理厂位于阿克陶县城北轻工业园东南侧,占地90亩,处理规模为5000m3/d,采用卡鲁塞尔氧化沟处理工艺。该污水处理厂于2017年4月开工建设;2018年8月试运行;2019年11月,克孜勒苏柯尔克孜自治州生态环境局出具了《关于阿克陶县城北轻工业园区生活污水处理厂建设项目环境影响报告表的批复》(克环评函〔2019〕62号),项目存在“先建后批”环保违法行为。目前,尚未完成竣工环境保护验收工作。
阿克陶县城北轻工业园污水处理厂改扩建与提标工程(以下简称“本项目”)在现有工程基础上进行提标改造和扩建,新增占地47亩,对现有5000m3/d处理工程提标改造的同时扩建一条处理规模15000m3/d的污水处理线,总处理规模达到20000m3/d。
本项目建设内容主要为:(1)新建一条处理规模15000m3/d的污水处理工程。主体工程包括进水控制井、格栅间及污水提升泵房、细格棚和旋流沉砂池间、调节池、水解酸化池、A2/O池、二沉池、消毒间、污泥回流泵池、污泥脱水间、污泥浓缩池、鼓风机房、深度处理提升泵池、高效沉淀池间、反硝化深床滤池间、接触消毒池及出水计量槽、反冲洗废水池、加药间、事故池等;辅助工程包括配电室、电气系统、自控系统、道路、围墙等;公用工程包括给排水、供电、供暖等;环保工程配套臭气处理措施、防渗措施、噪声防治措施及固废防治措施等。扩建处理工程采用“预处理+生化处理+深度处理+消毒处理”和活性炭除臭工艺。(2)改造工程在现有工程沉砂池与氧化沟配水井之间进行,共用扩建污水处理线的调节池及酸化水解池;二沉池出水并入扩建污水处理线的深度处理部分进行深度净化;现有工程污泥进入扩建污水处理线的污泥处理间进行处理。现有工程提标部分采用“化学沉淀+反硝化滤池”工艺。
改造后的污水处理厂主要接纳处理的废水包括阿克陶县城北轻工业园区各企业预处理达标排放的一般工业废水和园区企业产生的生活污水,不接纳化工、印染、制革、屠宰、制糖等重污染项目产生的化工废水、涉重金属废水、高含盐废水和含有持久性有机污染物废水。本次只针对污水处理工程进行评价,污水处理厂中水管网、中水库及生态林灌溉工程另行开展环评,不在本次审批范围之内。本项目总投资8891.4万元,环境保护二次投资48.8万元,占总投资的0.55%。
二、现有工程和本项目环境影响评价文件未经批准即擅自建设,违反了《中华人民共和国环境保护法》、《中华人民共和国环境影响评价法》、《建设项目环境保护管理条例》的有关规定。阿克陶县生态环境局对此违法行为已进行了查处(陶环罚〔2020〕2号)。你局须认真汲取教训,增强守法意识,杜绝违法行为再次发生。
三、现有工程承担着生活污水处理任务,实施提标改造期间,你局应采取有效措施,排除设备故障,确保现有污水设施正常运行和废水达标排放,杜绝废水直排。同时加强地下水水质监测,发现异常,立即停止排污和采取补救措施。
四、根据新疆大域智汇环保咨询服务有限公司编制的《阿克陶县城北轻工业园污水处理厂改扩建与提标工程环境影响报告书》(以下简称《报告书》)的评价结论、自治区环境工程评估中心关于《报告书》的技术评估报告(新环评估〔2020〕163号)、自治区排污权交易储备中心关于本项目主要污染物排放控制审查意见(新环排权审〔2020116号)和克孜勒苏柯尔克孜自治州生态环境局关于《报告书》的初审意见(克环初审函〔20206号),该项目不涉及自然保护区、风景名胜区、饮用水源保护区等环境敏感区域。在严格落实《报告书》提出的各项环境保护措施后,该项目所产生的不利环境影响可以得到缓解和控制,我厅原则同意你局按照《报告书》中所列建设项目性质、规模、地点、工艺和拟采取的各项环境保护措施进行建设。
五、在工程设计、建设和环境管理中要认真落实《报告书》提出的各项环保要求,严格执行环保“三同时”制度,确保各类污染物稳定达标排放,并达到以下要求:
(一)严格落实施工期各项环保措施。加强项目施工期间环境保护管理,防止施工期废水、扬尘、固体废物和噪声对周围环境产生不利影响。严格控制施工占地,减少对项目区域地表的扰动,施工结束后及时进行地貌恢复。
(二)严格落实大气污染防治措施。格栅间、污泥浓缩池、污泥调理池和污泥脱水车间等产生的废气采取“负压收集+活性炭除臭”处理后,通过15m排气筒排放,恶臭气体有组织排放须符合《恶臭污染物排放标准》(GB14554-93)中的表2排放限值;
调节池、水解酸化池、A2/O池、反硝化滤池、污泥浓缩池利用玻璃钢材料封闭后采用活性炭除臭。加强厂区绿化,严格控制无组织恶臭排放,厂界无组织恶臭污染物浓度须符合《城镇污水处理厂污染物排放标准》(GB18918-2002)(及修改单)中的二级标准要求。本项目150m卫生防护距离内不得规划建设学校、医院、居民点等对环境空气质量要求较高的建筑和设施。
(三)严格落实各项水污染防治措施。污水处理厂的进水口、出水口设置污水在线监控设备并与生态环境部门联网,对进水水质、水量严格监控。本项目处理后的达标排水仅用于园区洒水抑尘、绿化和企业回用,不得用于农灌。处理后水质须达到《城镇污水处理厂污染物排放标准》(GB18918-2002)一级A标准。灌溉期水质同时满足《城市污水再生利用城市杂用水水质》(GB/T18920-2002)和《城市污水再生利用绿地灌溉水质》(GB/T25499-2010)标准后分别用于工业园区绿化和生态林灌溉,非灌溉期排入中水库贮存。
项目区域地下水埋深浅,厂址区附近分布有农灌渠、农田和居民区等,项目建设须采取最严格的环境风险防范措施和环境监控计划。严禁生态林过度灌溉、污水直排和用于农灌。按要求设置地下水监控井,进行跟踪监测,杜绝污染事故发生。
(四)严格落实噪声防治措施。选用低噪声设备,产生机械噪声的设备安装在厂房内,并进行减振降噪处理;厂界四周设绿化隔离带。运营期厂界噪声值须满足《工业企业厂界环境噪声排放标准》(GB12348-2008)3类功能区噪声限值要求。
(五)严格落实各项固体废物处置措施。栅渣、沉砂和污泥按有关标准和分析方法检测鉴定,属于危险废物的,定期交由具有相应危险废物处置资质的单位安全处置;如鉴别为一般固体废物时,经脱水处理后,污泥含水率须小于60%,满足《生活垃圾填埋场污染控制标准》(GB16889-2008)的相关要求后,方可运至阿克陶县垃圾填埋场处理。化学品包装物(HW49)和实验室检测废液(HW49)属于危险废物,须交由具有相应处置资质的单位安全处置;生活垃圾统一收集,定期清运至阿克陶县生活垃圾处理场处理。危险废物收集、贮存、运输须满足《危险废物贮存污染控制标准》(GB18597-2001)及其修改单、《危险废物收集、贮存、运输技术规范》(HJ2025-2012)及《危险废物转移联单管理办法》的要求。一般工业固体废物贮存须满足《一般工业固体废物贮存、处置场污染控制标准》(GB18599-2001)要求。
(六)强化环境风险防范和应急措施。园区须建立区域应急联动机制,企业须建立严格的环境与安全管理体制,制订完善的环保规章制度,按照《关于印发<企业事业单位突发环境事件应急预案备案管理办法(试行)>的通知》(环发〔2015〕4号)要求做好环境应急预案的编制、评估、备案工作,并定期演练。严格按照《环境影响评价技术导则地下水环境》(HJ610-2016)中的相应要求落实分区防渗措施,防止对地下水和土壤产生污染。设置足够容积的事故池,用于事故状态下及非正常工况下的废水收集,收集废水待故障排除后重新返回处理,严禁不达标废水直接排放。严格操作规程,做好运行记录,定期检修,发现隐患及时处理,杜绝非正常工况及事故排放对环境产生影响。进水口和出水口监测数据出现异常,应立即启动应急预案。
(七)按照排污口设置及规范化整治管理的相关规定设置各类排污口,按要求标识。规范建设废水污染源在线自动监控设施并与生态环境部门联网,确保正常运行。加强自动监测数据有效性审核等工作。
(八)加强排污企业运行监管,进入污水处理厂的各企业外排污水须进行预处理,达到污水处理厂接纳要求后方可接入。
六、项目运行期必须严格执行区域污染物排放总量控制要求,确保各类污染物排放总量控制在核定的指标内(化学需氧量314.81t/a,氨氮27.72t/a)。严格控制恶臭污染物排放。做好与排污许可证申领的衔接,在排污许可证中载明批准的环境影响报告书中各项环境保护措施、污染物排放清单等的执行情况及其他有关内容,并按证排污。
七、你局须严格落实环境保护“三同时”要求,加快中水库和中水管网的选址论证、环境影响评价和建设工作,确保上述工程与提标改造工程同步实施和运行。上述工程未建成或中水无法全部消纳时,本提标改造工程不得投用。本项目“以新带老”措施的落实情况和现有工程遗留环境问题的整治纳入工程竣工环保验收。
八、开展施工期环境监理,并纳入项目竣工环保验收工作。
九、强化公众参与机制,在工程施工和运营过程中,应建立畅通的公众参与平台,及时解决公众提出的环境问题,满足公众合理的环保要求。定期发布企业环境信息,并主动接受社会监督。
十、项目的日常环境监督检查工作由克孜勒苏柯尔克孜自治州生态环境局、阿克陶县生态环境局负责,自治区环境监察总队不定期抽查。项目竣工后,须按规定程序开展竣工环境保护验收,验收合格后,方可正式投入运行。如项目的性质、规模、地点、工艺或者防治污染、防止生态破坏的措施发生重大变动,环评文件须报我厅重新审批。
十一、你局应在收到本批复后20个工作日内,将批准后的《报告书》分别送克孜勒苏柯尔克孜自治州生态环境局、阿克陶县生态环境局,并按规定接受各级生态环境主管部门的监督检查。
6 验收执行标准
6.1 废气验收监测执行标准
根据项目环境影响报告书和项目审批意见,项目无组织废气执行《城镇污水处理厂污染物排放标准》(GB18918-2002)中“表4厂界(防护带边缘)废气排放最高允许浓度”的二级标准,有组织执行《恶臭污染物排放标准》(GB14554-93);污水处理过程产生的无组织废气排放执行具体指标见表6.1-1、表6.1-2。
表6.1-1 无组织废气污染物排放标准
|
污染物 |
标准值 |
标准来源 |
|
|
无组织废气排放 |
NH3 |
1.50mg/m3 |
《城镇污水处理厂污染物排放标准》(GB18918-2002)表4二级标准 |
|
H2S |
0.06mg/m3 |
||
|
臭气浓度(无量纲) |
20 |
||
|
甲烷 |
1% |
||
表6.1-2 恶臭污染物(有组织)排放标准
|
序号 |
污染物 |
排气筒高度,m |
排放量,kg/h |
|
1 |
硫化氢 |
15 |
0.33 |
|
2 |
氨 |
4.9 |
|
|
3 |
臭气浓度(无量纲) |
2000 |
6.2 废水验收监测执行标准
根据项目环境影响报告书和项目审批意见,污水处理厂出水水质标准执行《城镇污水处理厂污染物排放标准》(GB18918-2002)表1中一级A标准,同时满足《城市污水再生利用 绿地灌溉水质》(GB/T25499-2010)中相关控制标准,中水用于绿化。具体指标详见表6.1-3。
表6.1-3 污水处理厂出水水质标准
|
序号 |
项目名称 |
单位 |
(GB18918-2002)一级A |
(GB/T25499-2010)绿地灌溉 |
|
1 |
pH |
/ |
6~9 |
6~9 |
|
2 |
COD |
mg/L |
<50 |
/ |
|
3 |
BOD5 |
mg/L |
<10 |
≤20 |
|
4 |
SS |
mg/L |
<10 |
/ |
|
5 |
氨氮 |
mg/L |
<5(8) |
≤20 |
|
6 |
总氮 |
mg/L |
<15 |
/ |
|
7 |
总磷 |
mg/L |
<0.5 |
/ |
|
8 |
阴离子表面活性剂 |
mg/L |
<0.5 |
≤1.0 |
|
9 |
动植物油 |
mg/L |
<1.0 |
/ |
|
10 |
石油类 |
mg/L |
<1.0 |
/ |
|
11 |
色度 |
|
<30 |
≤30 |
|
12 |
嗅 |
|
/ |
无不快感 |
|
13 |
浊度 |
NTU |
/ |
≤10(5) |
|
14 |
溶解性总固体 |
mg/L |
/ |
≤1000 |
|
15 |
溶解氧 |
mg/L |
/ |
|
|
16 |
总余氯 |
mg/L |
/ |
0.2≤管网末端≤0.5 |
|
17 |
总大肠菌群 |
个/L |
/ |
/ |
|
18 |
粪大肠菌群 |
个/L |
<1000 |
≤1000(200) |
|
19 |
蛔虫卵数 |
个/L |
/ |
≤2(1) |
|
20 |
氯化物 |
mg/L |
/ |
≤250 |
|
部分一类污染物最高允许排放浓度(日均值) |
/ |
|||
|
1 |
总汞 |
mg/L |
<0.001 |
≤0.001 |
|
2 |
烷基汞 |
mg/L |
不得检出 |
|
|
3 |
总镉 |
mg/L |
<0.01 |
≤0.01 |
|
4 |
总铬 |
mg/L |
<0.1 |
/ |
|
5 |
六价铬 |
mg/L |
<0.05 |
≤0.1 |
|
6 |
总砷 |
mg/L |
<0.1 |
≤0.05 |
|
7 |
总铅 |
mg/L |
<0.1 |
≤0.2 |
6.3 噪声验收监测执行标准
根据项目环境影响报告书和项目审批意见,厂界噪声执行《工业企业厂界环境噪声排放标准》(GB12348-2008)中3类标准。具体标准限值见表6.1-4。
表6.1-4 工业企业厂界环境噪声排放标准 单位:dB(A)
|
类别 |
标准值 |
标准 |
|
|
昼间 |
夜间 |
||
|
厂界噪声 |
65 |
55 |
(GB12348-2008)3类标准 |
6.4 污泥控制标准
按照《城镇污水处理厂污染物排放标准》(GB18918-2002)中4.3.2部分要求,污泥含水率应小于80%;污泥的排放指标参照执行《城镇污水处理厂污染物排放标准》(GB18918-2002)表6中污泥农用时污染物控制标准;厂区污泥经脱水后送阿克陶县垃圾填埋场进行处理,本次对脱水后的污泥进行浸出毒性和腐蚀性试验,其标准执行《生活垃圾填埋污染控制标准》(GB16889-2008)表1中浸出液污染物浓度限值及6.6部分污泥含水率应小于60%的要求。详见表6.1-5。
表6.1-5 污泥控制评价标准
|
污染物名称 |
①最高允许含量(mg/kg干污泥) |
②浸出毒性 |
③浸出毒性 |
|
|
在酸性土壤上 (pH<6.5) |
在中性和碱性土壤上(pH≥6.5) |
最高允许浓度限值(mg/L) |
最高允许浓度 限值(mg/L) |
|
|
pH值 |
—— |
—— |
—— |
2<pH<12.5 |
|
总汞 |
5 |
15 |
0.05 |
0.1 |
|
总铅 |
300 |
1000 |
0.25 |
5 |
|
总镉 |
5 |
20 |
0. 15 |
1 |
|
总铬 |
600 |
1000 |
4.5 |
15 |
|
总铜 |
800 |
1500 |
40 |
100 |
|
总砷 |
75 |
75 |
0.3 |
5 |
|
总锌 |
2000 |
3000 |
100 |
100 |
|
总镍 |
100 |
200 |
0.5 |
5 |
|
总铜 |
800 |
1500 |
40 |
100 |
|
含水率 |
①80%;②60% |
—— |
—— |
|
|
注:①《城镇污水处理厂污染物排放标准》 (GB18918-2002) 表 6 中污泥农用时污染物控制标准; ②《生活垃圾填埋场污染控制标准》 (GB16889-2008) ; ③《危险废物鉴别标准》(GB5085.3-2007);pH 值执行《危险废物鉴别标准》(GB5085. 1-2007)。 |
||||
7 验收监测内容
7.1 环境保护设施调试效果
通过对各类污染物达标排放及各类污染治理设施去除效率的监测,来说明环境保护设施处理效果,具体监测内容如下:
7.2 污染监测
7.1.1 废气监测
根据《城镇污水处理厂污染物排放标准》(GB18918-2002)关于氨、硫化氢、臭气浓度等无组织废气排放源采样点位应设于污水厂厂界或防护带边缘浓度最高处,以及《大气污染物无组织排放监测技术导则》(HJ/T 55- 2000)中按规定监控点最多可设4个,参照点只设1个的要求,本次无组织废气在上风向厂界外10m处设1个参照点,下风向厂界外10m处设4个监控点,共5个无组织废气监测点位。有组织废气在厂区内5套除臭装置排气筒出口各设5个监测点位,共5个监测点位。
表7.1-1 废气监测内容及频次
|
类型 |
测点序号 |
监测点位 |
监测项目 |
监测频次 |
|
无组织废气 |
○G1~G5 |
厂界上风向1点、下风向4点 (共5个测点) |
氨、硫化氢、臭气浓度 |
4次/天,3天 |
|
有组织废气 |
◎A1~A5 |
5套除臭装置排气筒出口 |
氨、硫化氢、臭气浓度 |
4次/天,3天 |
7.1.2 废水监测
本次废水监测在污水处理厂进口、出口各设1个监测点。废水检测内容及频次见表7.1-2 ;监测点位图见附图3。
表7.1-2 废水监测内容及频次
|
类型 |
测点序号 |
监测点位 |
监测项目 |
监测频次 |
|
废水 |
★W1 |
污水处理厂 进口、出口 |
pH、SS、COD、BOD5、氨氮、TN、TP、挥发酚、石油类、阴离子表面活性剂、总铬、六价铬、总铅、总汞、总砷、总镉、粪大肠菌群数、动植物油、色度、烷基汞、水温、流量 |
4次/天,2天 |
7.1.3 厂界噪声监测
根据《工业企业厂界环境噪声排放标准》(GB12348-2008),本次噪声监测在污水处理厂厂界外1m处共设4个监测点。测量高度距离地面1.2m以上,测量期间无雨雪、无雷电,风速均在5m/s以下。
表7.1-3 噪声监测点位及频次
|
类型 |
测点序号 |
监测点位 |
监测项目 |
监测频次 |
|
噪声 |
▲N1~N4 |
厂区四周 (共4个测点) |
厂界噪声 (昼间、夜间) |
1组/天,1天 |
7.1.4 固体废物监测
污泥监测点位设在污泥脱水间。污泥监测内容及频次见表7.1-4;监测点位图见附图3。
表7.1-4 污泥监测内容及频次
|
类型 |
测点序号 |
监测点位 |
监测项目 |
监测频次 |
|
污泥 |
|
污泥脱水间 |
含水率 |
1次/天,1天 |
8 质量保证及质量控制
8.1 监测分析方法
8.1.1 采样方法
地表水和废水按照《地表水和污水监测技术规范》(HJ/T 91-2002)采样;有组织废气按照《固定污染源排气中颗粒物测定与气态污染物采样方法》(GB/T16157-1996)采样;无组织废气按照《大气污染物无组织排放监测技术导则》(HJ/T 55-2000)采样;环境空气按照《环境空气 质量手工监测技术规范》(HJ/T194-2005)采样;厂界噪声按照《工业企业厂界环境噪声排放标准》(GB12348-2008)进行;污泥存放处污泥按照《工业固体废物采样制样技术规范》(HJ/T 20- 1998)采样。
8.1.2 采样方法
分析方法及检出限见表8.1-1。
表8.1-1 分析方法及检出限一览表
|
类别 |
检测项目 |
分析方法 |
方法依据 |
方法检出限 |
|
无组织废气 |
氨气 |
《环境空气和废气 氨的测定纳氏试剂分光光度法》HJ533-2009 |
可见分光光度计 721N |
0.01mg/m3 |
|
硫化氢 |
《空气和废气监测分析方法》 (第 四版增补版 国家环境保护总局 2003 年) 亚甲基蓝分光光度法 |
可见分光光度计 721N |
0.001mg/m3 |
|
|
臭气浓度 |
《空气质量 恶臭的测定 三点比较式臭袋法》GB/T14675-1993 |
/ |
10 (无量纲) |
|
|
甲烷 |
《环境空气总烃、甲烷和非甲烷总烃的测定直接进样-气相色谱法》HJ604-2017 |
气相色谱仪 GC-4000A |
0.06mg/m3 |
|
|
有组织废气 |
氨气 |
《环境空气和废气 氨的测定纳氏试剂分光光度法》HJ533-2009 |
可见分光光度计 721N |
0.01mg/m3 |
|
硫化氢 |
《空气和废气监测分析方法》(第四版增补版 国家环境保护总局2003年)亚甲基蓝分光光度法 |
可见分光光度计 721N |
0.001mg/m3 |
|
|
臭气浓度 |
《空气质量 恶臭的测定三点比较式臭袋法》GB/T14675-1993 |
/ |
10 (无量纲) |
|
|
废水 |
pH值 |
《水和废水监测分析方法》 (第四版 增补版) 国家环境保护总局 2002 年3.1.6.2 便携式 pH 计法 |
PH/ORP/电导率/溶解氧 仪 SX751 型 |
/ |
|
悬浮物 |
《水质 悬浮物的测定重量法》 GB/T 11901-1989 |
电子分析天平2204BFA |
4mg/L |
|
|
色度 |
《水质 色度的测定 稀释倍数法》 HJ1182-2021 |
/ |
/ |
|
|
化学需氧量 |
《水质 化学需氧量的测定 重铬酸 盐法》HJ 828-2017 |
滴定管 |
4mg/L |
|
|
五日生化需氧量 |
《水质 五日生化需氧量 (BOD5 ) 的 测定稀释与接种法》HJ 505-2009 |
PH/ORP/电导率/溶解氧 仪 SX751 型 |
0.5mg/L |
|
|
氨氮 |
《水质 氨氮的测定 纳氏试剂分光 光度法》HJ 535-2009 |
可见分光光度计 721N |
0.025mg/L |
|
|
阴离子表面活性剂 |
《水质 阴离子表面活性剂的测定 亚甲蓝分光光度法 》 GB 7494-1987 |
可见分光光度计 721N |
0.05mg/L |
|
|
石油类 |
《水质石油类和动植物油的测定 红外分光光度法》HJ 637-2018 |
红外测油仪 JLBG-121U |
0.06mg/L |
|
|
动植物油 |
《水质 石油类和动植物油的测定 红外分光光度法》HJ 637-2018 |
红外测油仪 JLBG-121U |
0.06mg/L |
|
|
总磷 (以P计) |
《水质总磷的测定 钼酸铵分光光 度法》GB11893-1989 |
可见分光光度计 721N |
0.01mg/L |
|
|
总氮 (以N计) |
《水质总氮的测定碱性过硫酸钾消 解紫外分光光度法》HJ636-2012 |
紫外分光光度计 752N |
0.05mg/L |
|
|
粪大肠菌群 |
《水质 粪大肠菌群的测定 多管发 酵法》HJ 347.2-2018 |
生化培养箱 SPX-250B |
20 个/L |
|
|
总汞 |
《水质-汞、砷、硒、铋和锑的测定 -原子荧光法》HJ694-2014 |
原子荧光光度计 AFS-8220 |
0.04ug/L |
|
|
甲基汞 |
《水质 烷基汞的测定 气相色谱 法》GB/T14204-93 |
气相色谱仪 GC2010Pro |
10ng/L |
|
|
乙基汞 |
《水质 烷基汞的测定 气相色谱 法》GB/T14204-93 |
气相色谱仪 GC2010Pro |
20ng/L |
|
|
总铬 |
《水质 65 种元素的测定 电感耦合 等离子体质谱法》HJ700-2014 |
电感耦合等离子体质谱 仪 MS300 |
0.11ug/L |
|
|
六价铬 |
《水质 六价铬的测定 二苯碳酰二 肼分光光度法》GB7467-1987 |
可见分光光度计 721N |
0.004mg/L |
|
|
总镉 |
《水质 65 种元素的测定 电感耦合 等离子体质谱法》HJ700-2014 |
电感耦合等离子体质谱 仪 MS300 |
0.05ug/L |
|
|
总砷 |
《水质 65 种元素的测定 电感耦合 等离子体质谱法》HJ700-2014 |
电感耦合等离子体质谱 仪 MS300 |
0.12ug/L |
|
|
总铅 |
《水质 65 种元素的测定 电感耦合 等离子体质谱法》HJ700-2014 |
电感耦合等离子体质谱 仪 MS300 |
0.09ug/L |
|
|
噪声 |
厂界噪声 |
工业企业厂界环境噪声排放标准 |
AWA5636 声级计 |
—— |
|
污泥全分析 |
含水率 |
重量法 |
CJ/T221-2005 |
—— |
8.2 质量保证与质控措施
质量保证与质量控制严格执行国家环保局颁发的《环境监测技术规范》和国家有关采样、分析的标准及方法,实施全过程的质量保证。
8.2.1 水质监测分析过程中的质量保证和质量控制
在水样的采集、运输、保存、实验室分析和数据计算的全过程中均按《环境 水质监测质量保证手册》 (第四版) 的要求进行。采样过程中采集一定比例的平 行样;实验室分析过程均使用标准物质、采用空白试验、平行样测定、加标回收 率测定等,并对质控数据分析。
8.2.2 气体监测分析过程中的质量保证和质量控制
(1)尽量避免被测排放物中共存污染物对分析的交叉干扰。
(2)被测排放物的浓度在仪器量程的有效范围(即30%~70%之间)。
8.2.3 噪声监测分析过程中的质量保证和质量控制
声级计在测试前后用标准发生源进行校准,测量前后仪器的灵敏度相差不大于0.5dB,若大于0.5dB测试数据无效。监测时风速>5m/s停止测试。
8.2.4 其他的质量保证和质量控制
①监测人员均通过技术考核,持证上岗。
②报告由严格的内部审核制度。
9 验收监测结果及分析
本次验收监测内容主要是该工程的污染治理设施运行情况,废水、废气、噪 声排放情况、固体废物处置情况。
9.1 生产状况
现场监测工作由新疆新环监测检测研究院(公司)于2022年5月26日至2022年5月28日完成。验收监测期间,项目各设施运行正常,监测取样时段内,各工序均处于正常运行状态,根据建设单位提供的相关数据显示,厂区一期工程、二期工程实际处理量分别达到了设计处理能力的75%以上。监测期间工况表见表9.1-1与表9.1-2。
表9.1-1 一期工程工况一览表
|
监测时间 |
类别 |
设计规模 |
实际规模 |
运行负荷(%) |
|
2022年5月26日 |
废水处理量 |
5000m3/d |
3840m3/d |
76.8 |
|
2022年5月27日 |
废水处理量 |
5000m3/d |
3785m3/d |
75.7 |
|
2022年5月28日 |
废水处理量 |
5000m3/d |
3855m3/d |
77.1 |
表9.1-2 二期工程工况一览表
|
监测时间 |
类别 |
设计规模 |
实际规模 |
运行负荷(%) |
|
2022年5月26日 |
废水处理量 |
15000m3/d |
m3/d |
76.0 |
|
2022年5月27日 |
废水处理量 |
15000m3/d |
m3/d |
75.4 |
|
2022年5月28日 |
废水处理量 |
15000m3/d |
m3/d |
77.6 |
9.2 污染物达标排放监测结果
9.2.1 废气
无组织废气监测在污水处理厂厂界上风向设1个参照点,下风向设4个监控点,共5个监测点。监测期间气象参数见表9.2-1;监测结果见表9.2-2。有组织废气监测在厂区内1套除臭装置排气筒各设1个监测点位,共1个监测点位,监测结果见表9.2-3。
表9.2-1 监测期间气象参数一览表
|
采样时间 |
天气 状况 |
风速 (m∕s) |
温度(℃) |
湿度(%) |
大气压(kpa) |
|
|
2022年5月26日 |
昼间 |
阴 |
1.3 |
12 |
65 |
100.8 |
|
夜间 |
阴 |
1.6 |
8 |
65 |
100.9 |
|
|
2022年5月27日 |
昼间 |
多云 |
1.3 |
15 |
62 |
100.7 |
|
夜间 |
多云 |
1.5 |
9 |
62 |
100.7 |
|
|
2022年5月28日 |
昼间 |
多云 |
1.5 |
13 |
64 |
100.9 |
|
夜间 |
多云 |
1.7 |
7 |
64 |
100.9 |
|
表9.2-2 无组织废气监测结果
|
采样 点位及编号 |
采样时间 |
监测项目及结果 (单位:mg/m3,臭气浓度无量纲) |
|||
|
氨 |
硫化氢 |
臭气浓度 |
|||
|
厂界上风向 1# ○G1 |
2022年5月26日 |
第一次 |
0.25 |
0.003 |
<10 |
|
第二次 |
0.29 |
0.003 |
<10 |
||
|
第三次 |
0.32 |
0.002 |
<10 |
||
|
第四次 |
0.35 |
0.003 |
<10 |
||
|
最大值 |
0.35 |
0.003 |
<10 |
||
|
2022年5月27日 |
第一次 |
0.22 |
0.004 |
<10 |
|
|
第二次 |
0.24 |
0.003 |
<10 |
||
|
第三次 |
0.27 |
0.004 |
<10 |
||
|
第四次 |
0.26 |
0.003 |
<10 |
||
|
最大值 |
0.27 |
0.004 |
<10 |
||
|
2022年5月28日 |
第一次 |
0.31 |
0.003 |
<10 |
|
|
第二次 |
0.38 |
0.002 |
<10 |
||
|
第三次 |
0.32 |
0.003 |
<10 |
||
|
第四次 |
0.25 |
0.002 |
<10 |
||
|
最大值 |
0.38 |
0.003 |
<10 |
||
|
厂界下风向 2# ○G2 |
2022年5月26日 |
第一次 |
0.46 |
0.004 |
11 |
|
第二次 |
0.34 |
0.005 |
11 |
||
|
第三次 |
0.43 |
0.006 |
12 |
||
|
第四次 |
0.45 |
0.004 |
11 |
||
|
最大值 |
0.46 |
0.006 |
12 |
||
|
2022年5月27日 |
第一次 |
0.41 |
0.005 |
11 |
|
|
第二次 |
0.42 |
0.007 |
12 |
||
|
第三次 |
0.44 |
0.006 |
12 |
||
|
第四次 |
0.45 |
0.005 |
12 |
||
|
最大值 |
0.45 |
0.007 |
12 |
||
|
2022年5月28日 |
第一次 |
0.40 |
0.005 |
11 |
|
|
第二次 |
0.48 |
0.007 |
12 |
||
|
第三次 |
0.43 |
0.006 |
11 |
||
|
第四次 |
0.41 |
0.004 |
11 |
||
|
最大值 |
0.48 |
0.007 |
12 |
||
|
厂界下风向 3# ○G3 |
2022年5月26日 |
第一次 |
0.46 |
0.006 |
11 |
|
第二次 |
0.34 |
0.007 |
11 |
||
|
第三次 |
0.43 |
0.005 |
12 |
||
|
第四次 |
0.45 |
0.006 |
11 |
||
|
最大值 |
0.46 |
0.007 |
12 |
||
|
2022年5月27日 |
第一次 |
0.41 |
0.008 |
11 |
|
|
第二次 |
0.42 |
0.006 |
12 |
||
|
第三次 |
0.44 |
0.007 |
12 |
||
|
第四次 |
0.45 |
0.008 |
12 |
||
|
最大值 |
0.45 |
0.008 |
12 |
||
|
2022年5月28日 |
第一次 |
0.40 |
0.008 |
11 |
|
|
第二次 |
0.48 |
0.008 |
12 |
||
|
第三次 |
0.43 |
0.007 |
11 |
||
|
第四次 |
0.41 |
0.006 |
11 |
||
|
最大值 |
0.48 |
0.008 |
12 |
||
|
厂界下风向 4# ○G4 |
2022年5月26日 |
第一次 |
0.57 |
0.008 |
13 |
|
第二次 |
0.52 |
0.010 |
13 |
||
|
第三次 |
0.62 |
0.011 |
14 |
||
|
第四次 |
0.58 |
0.009 |
14 |
||
|
最大值 |
0.62 |
0.011 |
14 |
||
|
2022年5月27日 |
第一次 |
0.61 |
0.010 |
14 |
|
|
第二次 |
0.57 |
0.009 |
15 |
||
|
第三次 |
0.67 |
0.009 |
15 |
||
|
第四次 |
0.53 |
0.008 |
15 |
||
|
最大值 |
0.67 |
0.010 |
15 |
||
|
2022年5月28日 |
第一次 |
0.52 |
0.008 |
14 |
|
|
第二次 |
0.67 |
0.009 |
12 |
||
|
第三次 |
0.50 |
0.009 |
12 |
||
|
第四次 |
0.62 |
0.009 |
13 |
||
|
最大值 |
0.67 |
0.009 |
14 |
||
|
厂界下风向 5# ○G5 |
2022年5月26日 |
第一次 |
0.51 |
0.005 |
15 |
|
第二次 |
0.50 |
0.007 |
15 |
||
|
第三次 |
0.49 |
0.008 |
14 |
||
|
第四次 |
0.48 |
0.006 |
13 |
||
|
最大值 |
0.51 |
0.008 |
15 |
||
|
2022年5月27日 |
第一次 |
0.43 |
0.006 |
13 |
|
|
第二次 |
0.45 |
0.008 |
13 |
||
|
第三次 |
0.49 |
0.009 |
13 |
||
|
第四次 |
0.50 |
0.005 |
12 |
||
|
最大值 |
0.50 |
0.009 |
13 |
||
|
2022年5月28日 |
第一次 |
0.53 |
0.006 |
12 |
|
|
第二次 |
0.48 |
0.007 |
13 |
||
|
第三次 |
0.46 |
0.005 |
14 |
||
|
第四次 |
0.47 |
0.006 |
13 |
||
|
最大值 |
0.53 |
0.007 |
14 |
||
|
《城镇污水处理厂污染物排放标准》(GB18918-2002)表4中二级标准 |
1.5 |
0.06 |
20 |
||
|
达标情况 |
达标 |
达标 |
达标 |
||
由表9.2-2可知,验收监测期间在上风向厂界外10m处设1和监测点,下风向厂界外10m处设4个监测点位,通过连续3天、每天4次的监测,厂界四周氨、硫化氢、臭气浓度的监测结果均达到了《城镇污水处理厂污染物排放标准》(GB18918-2002)表4中二级标准。
表9.2-3 有组织废气监测结果
|
采样点位及编号 |
采样时间 |
监测项目及结果 |
||||||
|
氨 |
硫化氢 |
臭气浓度 |
标准风量 |
|||||
|
排放浓度(mg/m3) |
排放速率 (kg/h) |
排放浓度 (mg/m3) |
排放速率 (kg/h) |
无量纲 |
m3/h |
|||
|
1# 除臭装置排气筒◎A1 |
2022年5月26日 |
第一次 |
3.70 |
0.026 |
0.350 |
0.0025 |
174 |
7032 |
|
第二次 |
3.80 |
0.027 |
0.382 |
0.0027 |
309 |
7085 |
||
|
第三次 |
4.15 |
0.030 |
0.345 |
0.0025 |
130 |
7149 |
||
|
第四次 |
4.20 |
0.030 |
0.402 |
0.0028 |
174 |
7097 |
||
|
2022年5月27日 |
第一次 |
4.18 |
0.029 |
0.426 |
0.0030 |
309 |
7049 |
|
|
第二次 |
4.30 |
0.030 |
0.390 |
0.0027 |
130 |
6984 |
||
|
第三次 |
3.98 |
0.028 |
0.468 |
0.0033 |
130 |
7155 |
||
|
第四次 |
4. 17 |
0.030 |
0.435 |
0.0031 |
174 |
7241 |
||
|
2022年5月28日 |
第一次 |
4.35 |
0.032 |
0.430 |
0.0032 |
232 |
7403 |
|
|
第二次 |
4.24 |
0.031 |
0.365 |
0.0026 |
309 |
7341 |
||
|
第三次 |
4.05 |
0.030 |
0.450 |
0.0034 |
174 |
7453 |
||
|
第四次 |
3.95 |
0.029 |
0.372 |
0.0027 |
309 |
7269 |
||
|
2# 除臭装置排气筒◎A2 |
2022年5月26日 |
第一次 |
3.70 |
0.026 |
0.350 |
0.0025 |
174 |
7032 |
|
第二次 |
3.80 |
0.027 |
0.382 |
0.0027 |
309 |
7085 |
||
|
第三次 |
4.15 |
0.030 |
0.345 |
0.0025 |
130 |
7149 |
||
|
第四次 |
4.20 |
0.030 |
0.402 |
0.0028 |
174 |
7097 |
||
|
2022年5月27日 |
第一次 |
4.18 |
0.029 |
0.426 |
0.0030 |
309 |
7049 |
|
|
第二次 |
4.30 |
0.030 |
0.390 |
0.0027 |
130 |
6984 |
||
|
第三次 |
3.98 |
0.028 |
0.468 |
0.0033 |
130 |
7155 |
||
|
第四次 |
4. 17 |
0.030 |
0.435 |
0.0031 |
174 |
7241 |
||
|
2022年5月28日 |
第一次 |
4.35 |
0.032 |
0.430 |
0.0032 |
232 |
7403 |
|
|
第二次 |
4.24 |
0.031 |
0.365 |
0.0026 |
309 |
7341 |
||
|
第三次 |
4.05 |
0.030 |
0.450 |
0.0034 |
174 |
7453 |
||
|
第四次 |
3.95 |
0.029 |
0.372 |
0.0027 |
309 |
7269 |
||
|
3# 除臭装置排气筒◎A3 |
2022年5月26日 |
第一次 |
3.70 |
0.026 |
0.350 |
0.0025 |
174 |
7032 |
|
第二次 |
3.80 |
0.027 |
0.382 |
0.0027 |
309 |
7085 |
||
|
第三次 |
4.15 |
0.030 |
0.345 |
0.0025 |
130 |
7149 |
||
|
第四次 |
4.20 |
0.030 |
0.402 |
0.0028 |
174 |
7097 |
||
|
2022年5月27日 |
第一次 |
4.18 |
0.029 |
0.426 |
0.0030 |
309 |
7049 |
|
|
第二次 |
4.30 |
0.030 |
0.390 |
0.0027 |
130 |
6984 |
||
|
第三次 |
3.98 |
0.028 |
0.468 |
0.0033 |
130 |
7155 |
||
|
第四次 |
4. 17 |
0.030 |
0.435 |
0.0031 |
174 |
7241 |
||
|
2022年5月28日 |
第一次 |
4.35 |
0.032 |
0.430 |
0.0032 |
232 |
7403 |
|
|
第二次 |
4.24 |
0.031 |
0.365 |
0.0026 |
309 |
7341 |
||
|
第三次 |
4.05 |
0.030 |
0.450 |
0.0034 |
174 |
7453 |
||
|
第四次 |
3.95 |
0.029 |
0.372 |
0.0027 |
309 |
7269 |
||
|
4# 除臭装置排气筒◎A4 |
2022年5月26日 |
第一次 |
3.70 |
0.026 |
0.350 |
0.0025 |
174 |
7032 |
|
第二次 |
3.80 |
0.027 |
0.382 |
0.0027 |
309 |
7085 |
||
|
第三次 |
4.15 |
0.030 |
0.345 |
0.0025 |
130 |
7149 |
||
|
第四次 |
4.20 |
0.030 |
0.402 |
0.0028 |
174 |
7097 |
||
|
2022年5月27日 |
第一次 |
4.18 |
0.029 |
0.426 |
0.0030 |
309 |
7049 |
|
|
第二次 |
4.30 |
0.030 |
0.390 |
0.0027 |
130 |
6984 |
||
|
第三次 |
3.98 |
0.028 |
0.468 |
0.0033 |
130 |
7155 |
||
|
第四次 |
4. 17 |
0.030 |
0.435 |
0.0031 |
174 |
7241 |
||
|
2022年5月28日 |
第一次 |
4.35 |
0.032 |
0.430 |
0.0032 |
232 |
7403 |
|
|
第二次 |
4.24 |
0.031 |
0.365 |
0.0026 |
309 |
7341 |
||
|
第三次 |
4.05 |
0.030 |
0.450 |
0.0034 |
174 |
7453 |
||
|
第四次 |
3.95 |
0.029 |
0.372 |
0.0027 |
309 |
7269 |
||
|
5# 除臭装置排气筒◎A5 |
2022年5月26日 |
第一次 |
3.70 |
0.026 |
0.350 |
0.0025 |
174 |
7032 |
|
第二次 |
3.80 |
0.027 |
0.382 |
0.0027 |
309 |
7085 |
||
|
第三次 |
4.15 |
0.030 |
0.345 |
0.0025 |
130 |
7149 |
||
|
第四次 |
4.20 |
0.030 |
0.402 |
0.0028 |
174 |
7097 |
||
|
2022年5月27日 |
第一次 |
4.18 |
0.029 |
0.426 |
0.0030 |
309 |
7049 |
|
|
第二次 |
4.30 |
0.030 |
0.390 |
0.0027 |
130 |
6984 |
||
|
第三次 |
3.98 |
0.028 |
0.468 |
0.0033 |
130 |
7155 |
||
|
第四次 |
4. 17 |
0.030 |
0.435 |
0.0031 |
174 |
7241 |
||
|
2022年5月28日 |
第一次 |
4.35 |
0.032 |
0.430 |
0.0032 |
232 |
7403 |
|
|
第二次 |
4.24 |
0.031 |
0.365 |
0.0026 |
309 |
7341 |
||
|
第三次 |
4.05 |
0.030 |
0.450 |
0.0034 |
174 |
7453 |
||
|
第四次 |
3.95 |
0.029 |
0.372 |
0.0027 |
309 |
7269 |
||
|
参照《恶臭污染物排放标准》(GB14554-93)表2中 标准限值 |
1.5 |
4.9 |
0.06 |
0.33 |
20 |
2000 |
||
|
达标情况 |
达标 |
达标 |
达标 |
达标 |
达标 |
达标 |
||
由表9.2-3可知,验收监测期间,有组织废气在厂区内1套除臭装置排气筒出口各设5个监测点位,共5个监测点位,通过连续3天、每天4次的监测,5套除臭装置排气筒出口氨、硫化氢、臭气浓度的监测结果均符合《恶臭污染物排放标准》 (GB14554-93)表2中限值的标准要求。
9.2.2 废水排放监测
本次废水监测在污水处理厂进出口各设置1个监测点,共1个监测点位。废水监测结果见表9.2-4。
表9.2-4 污水厂进口废水监测结果 单位:mg/L(pH及标明的除外)
|
监测点位 |
检测项目 |
检测结果 |
标准限值 |
是否达标 |
|
2022.5.26 |
||||
|
出口 |
pH值(无量纲) |
6.9 |
6-9 |
达标 |
|
悬浮物 |
8 |
10 |
达标 |
|
|
色度(倍) |
5 |
30 |
达标 |
|
|
化学需氧量 |
64.8 |
40 |
达标 |
|
|
五日生化需氧量 |
21.4 |
10 |
达标 |
|
|
氨氮 |
6.68 |
5 |
达标 |
|
|
阴离子表面活性剂 |
0.11 |
0.5 |
达标 |
|
|
石油类 |
ND |
1 |
达标 |
|
|
动植物油 |
0.1 |
1 |
达标 |
|
|
总磷(以P计) |
19.2 |
0.5 |
达标 |
|
|
总氮(以N计) |
0.98 |
15 |
达标 |
|
|
粪大肠菌群(个/L) |
400 |
100 |
达标 |
|
|
总汞 |
ND |
0.0 |
达标 |
|
|
*烷基汞 |
ND |
/ |
达标 |
|
|
总铬 |
ND |
0.1 |
达标 |
|
|
六价铬 |
ND |
0.0 |
达标 |
|
|
总镉 |
ND |
0.01 |
达标 |
|
|
总砷 |
ND |
0.1 |
达标 |
|
|
总铅 |
ND |
0.1 |
达标 |
从表9.2-4可见,出水水质监测项目浓度均达到了《城镇污水处理厂污染物排放标准》(GB18918-2002)一级标准A标准要求。
9.2.3 厂界噪声监测
本次噪声监测在厂界四周外1m处各设1个监测点位,共4个噪声监控点,噪声监测结果见表9.2-5。
表9.2-5 厂界噪声监测结果统计结果 单位:dB(A)
|
测点名称 |
测试时间 |
监测数值 |
执行类别 |
评价标准 |
达标情况 |
|
|
厂界东侧1#▲N1 |
2022.5.26~2.527 |
昼间 |
48 |
3类 |
65 |
达标 |
|
夜间 |
47 |
55 |
达标 |
|||
|
厂界南侧2#▲N2 |
昼间 |
50 |
65 |
达标 |
||
|
夜间 |
48 |
55 |
达标 |
|||
|
厂界西侧 3#▲N3 |
昼间 |
49 |
65 |
达标 |
||
|
夜间 |
47 |
55 |
达标 |
|||
|
厂界北侧 4#▲N4 |
昼间 |
45 |
65 |
达标 |
||
|
夜间 |
45 |
55 |
达标 |
|||
由表9.2-5可知,项目厂界东、西、南、北昼间、夜间噪声测值均符合《工业企业厂界环境噪声排放标准》(GB12348-2008)中表1中3类标准限值。
9.2.4 固体废物监测
本次污泥监测在污泥脱水间设1个监测点,监测结果见表9.2-6。
固体废物检测结果及评价见表9.2-6。
表9.2-6 固体废物监测结果一览表 单位:dB(A)
|
监测点位 |
点位位置 |
检测项目 |
监测日期 |
监测结果 |
标准 限值 |
是否达标 |
|
1#点位 |
污泥 脱泥间 |
含水率 |
2022.5.26~5.27 |
79.4% |
80% |
达标 |
由表9.2-6得知,监测期间,污泥处理间脱水污泥中含水率为79.4%,符合《城镇污水处理厂污染物排放标准》(GB18918-2002)中4.3.2部分脱水后污泥含水率应小于80%的要求。
9.3 环保设施去除效率监测结果
9.3.1 废水治理设施
验收监测期间,污水处理厂出口中pH值、色度、粪大肠菌群、悬浮物、化学需氧量、生化需氧量、氨氮、总磷、总氮、动植物油、石油类、阴离子表面活性剂、总砷、挥发酚、总硒、总汞、总铬、总镉、六价铬、总铜、总锌、总铅、总氰化物、硫化物的监测结果均低于《城镇污水处理厂污染物排放标准》(GB18918-2002)一级A标准,符合环评设计及批复要求。
主要污染因子处理效率详见表9.3-1。
表9.3-1 污水处理工程主要污染因子处理效率 (%)
|
监测时间 |
悬浮物 |
化学需 氧量 |
生化 需氧量 |
氨氮 |
总氮 |
总磷 |
阴离子表面活性剂 |
动植物油 |
石油类 |
|
2022年5月26日 |
95.7% |
89.6% |
91.9% |
92.8% |
67.4% |
94.2% |
71.6% |
84.6% |
97.4% |
|
2022年5月27日 |
95.5% |
84.5% |
91. 1% |
89.9% |
63.5% |
93.6% |
71.2% |
84.7% |
95.6% |
|
2022年5月28日 |
95.3% |
94.0% |
93.2% |
94.6% |
67.9% |
94.3% |
72.3% |
84.8% |
98.3% |
|
处理效率设计指标 |
≧94.11% |
≧82.76% |
≧90.91% |
≧79. 17 % |
≧42.86 % |
≧85.71% |
/ |
/ |
/ |
|
达标情况 |
达标 |
达标 |
达标 |
达标 |
达标 |
达标 |
/ |
/ |
/ |
由表9.3-1得知,监测期间,污水处理厂各监测因子的处理效率均符合设计指标要求。
9.3.2 废气治理设施
验收监测期间,厂区内5套除臭装置排气筒外排废气中氨、硫化氢、臭气浓度的监测结果均符合《恶臭污染物排放标准》(GB14554-93)中标准限值要求。厂界外无组织废气中氨、硫化氢、臭气浓度的监测结果均达到了《城镇污水处理厂污染物排放标准》(GB18918-2002)表4中二级标准,符合环评设计及批复要求。
9.3.3 厂界噪声治理设施
验收监测期间,厂界四周共设4个测点,昼间最大噪声监测值为50dB(A),夜间最大噪声监测值48dB(A),均符合《工业企业厂界环境噪声排放标准》(GB12348-2008)中3类标准限值要求,符合环评设计及批复要求。
9.3.4 固体废物治理设施
验收监测期间,污泥处理间脱水污泥中pH值的监测结果达到《危险废物鉴别标准腐蚀性鉴别》(GB5085.1-2007)中标准限值要求;污泥中含水率为58.9%,符合《城镇污水处理厂污染物排放标准》(GB18918-2002)中4.3.2部分脱水后污泥含水率应小于80%的要求。
10 公众意见调查
根据原国家环境保护总局环办[2003]26号文《关于建设项目竣工环境保护验收实行公示的通知》的要求,在项目竣工环境保护验收监测期间,通过发放意见调查表的形式征求当地公众对于建设项目环保执行效果的意见。
10.1 调查目的
在建设项目竣工环境保护验收期间进行公众意见调查,可广泛地了解和听取民众意见和建议,以便进一步了解项目环保执行情况,予以民众一定的知情权及监督权,使企业进一步做好环境保护工作。
10.2 调查范围和方式
以发放公众意见调查表及走访形式对园区污水处理厂周边居民进行随机调查,了解项目建设和生产对当地环境及居民生活的影响。
10.3 调查内容
本次验收监测期间主要对项目周边居民进行调查,共发放 份问卷调 查表。主要调查内容详见表10.3-1。
表10.3-1 公众意见调查表
|
姓名 |
|
性别 |
|
年龄 |
|
文化程度 |
|
||||||
|
住址 |
|
联系电话 |
|
||||||||||
|
项 目 概 况 |
2017年4月阿克陶县城北轻工业园区生活污水处理厂开工建设,2018年8月建成试运行,2019年5月正式运行。项目于2019年11月17日取得《关于阿克陶县城北轻工业园区生活污水处理厂建设项目环境影响报告表的批复》(克环评函【2019】62号);2019年10月30日完成排污许可申报,2019年12月25日完成排污许可变更,取得排污许可证书,证书编号916530222295041995001V(排污许可证见附件4);未开展建设项目竣工环境保护验收。该项目存在批先建等环境违法问题,2020年8月克孜勒苏柯尔克孜州生态环境局阿克陶分局对项目建设单位阿克陶住房和城乡建设局下达了处罚通知(陶环罚[2020]2号),阿克陶住房和城乡建设局于2020年10月16日完成处罚。 阿克陶县城北轻工业园区污水处理厂二期工程于2021年3月开工建设,2022年3月完成扩建及改造,2022年8月正式运行。项目为阿克陶县城北轻工业园区污水处理厂提标改造及扩建工程,二期扩建主要位于厂区西北侧。二期工程主要是对一期工程进行提标改造,同时在一期处理规模5000m3/d的基础上,新增15000m3/d的处理能力,使总处理规模达到20000m3/d。整个厂区出水水质提升至《城镇污水处理厂污染物排放标准》(GB 18918-2002)一级A标准。项目将一期工程的“氧化沟处理工艺”改为“预处理+生化处理+深度处理+消毒处理”。 |
||||||||||||
|
选择下栏中您认为最合适的选项 (在 A 、B 、C 、D 、E 上打√ ,或在空白栏中写出您的不同的 答案) ,并简述您的观点。 |
|||||||||||||
|
1 、您对本项目的生产情况是否清楚? |
|||||||||||||
|
A 、很清楚 |
B 、了解一点 |
C 、不清楚 |
|||||||||||
|
2 、本地区最主要的环境问题是: |
|||||||||||||
|
A 、大气污染 |
B 、水污染 |
C 、废渣污染 |
D 、噪声污染 |
E 、无污染 |
|||||||||
|
3 、您认为本项目对您的生活质量有何影响: |
|||||||||||||
|
A 、无影响 |
B 、有利 |
C 、不利 |
|||||||||||
|
4 、您认为本项目对当地的社会经济发展的影响是: |
|||||||||||||
|
A 、无影响 |
B 、有利 |
C 、不利 |
|||||||||||
|
5 、根据您的了解,认为本项目对环境造成了哪些危害: |
|||||||||||||
|
A 、大气污染 |
B 、水污染 |
C 、废渣污染 |
D 、噪声污染 |
E 、无污染 |
|||||||||
|
6 、从综合角度出发,您对本项目验收的态度 (不赞成或无所谓请说明理由) |
|||||||||||||
|
A 、赞成 |
B 、无所谓 |
C 、反对 |
|||||||||||
|
简述您对本项目及其环境保护有何具体建议和要求? |
|||||||||||||
|
|
|||||||||||||
10.4 调查结果统计与分析
本次调查共发放居民意见调查表50份,收回20份,回收率100%,本次调查结果有效。调查人群年龄段主要集中在25~53 岁,调查区域为污水处理厂周边居住居民,调查统计结果见表10.4-1。
表10.4-1 公众参与调查结果统计
|
对本项目的生产情况是否清楚 |
选项 |
很清楚 |
了解一点 |
不清楚 |
—— |
—— |
|
人数 |
5 |
15 |
0 |
—— |
—— |
|
|
比例 (%) |
25 |
75 |
0 |
—— |
—— |
|
|
本地区最主要的环境问题 |
选项 |
大气污染 |
水污染 |
废渣污染 |
噪声污染 |
无污染 |
|
人数 |
2 |
18 |
0 |
0 |
—— |
|
|
比例 (%) |
10 |
90 |
0 |
0 |
—— |
|
|
项目对生活质量的影响 |
选项 |
无影响 |
有利 |
不利 |
—— |
—— |
|
人数 |
0 |
20 |
0 |
—— |
—— |
|
|
比例 (%) |
0 |
100 |
0 |
—— |
—— |
|
|
项目对当地社会经济发展的影响 |
选项 |
无影响 |
有利 |
不利 |
—— |
—— |
|
人数 |
0 |
20 |
0 |
—— |
—— |
|
|
比例 (%) |
0 |
100 |
0 |
—— |
—— |
|
|
项目对环境造成的危害 |
选项 |
大气污染 |
水污染 |
废渣污染 |
噪声污染 |
无污染 |
|
人数 |
0 |
0 |
0 |
0 |
20 |
|
|
比例 (%) |
0 |
0 |
0 |
0 |
100 |
|
|
对本项目验收的态度 |
选项 |
赞成 |
无所谓 |
反对 |
—— |
—— |
|
人数 |
20 |
0 |
0 |
—— |
—— |
|
|
比例 (%) |
100 |
0 |
0 |
—— |
—— |
收回调查表后就调查内容进行了统计,结果如下:
您对本项目的生产情况是否清楚:25%回答很清楚,75%回答了解一点; 本地区最主要的环境问题是:10%回答大气污染,90%回答水污染;您认为本项目对您的生活质量有何影响:100%回答有利;
您认为本项目对当地社会经济发展的影响是:100%回答有利;
根据您的了解,认为本项目对环境造成了哪些危害:100%回答无污染。
从环保角度出发,您对本项目验收的态度是:100%回答赞成。综合来看,全部居民和单位对本项目的态度是:同意验收。
11 验收监测结论及建议
11.1 验收监测结论
阿克陶县城北轻工业园区污水处理厂建设项目执行了国家环境保护“三同时”的要求,各项环保设施运行正常,公司内都有健全的环保制度和应急救援预案。验收监测期间生产工况情况符合验收监测要求,无不良天气等因素影响,验收监测工作严格按有关规定进行,验收监测结果可以反映实际排放情况。
11.1.1 废水排放验收监测结论
从表9.2-4可见,该项目总排口外排废水监测项目出水水质监测项目浓度均达到《城镇污水处理厂污染物排放标准》(GB18918-2002)一级标准A标准要求。
11.1.2 废气排放验收监测结论
由表9.2-2可知,该项目厂界废气中硫化氢、氨、臭气浓度、甲烷排放浓度均符合《城镇污水处理厂污染物排放标准》(GB18918-2002)表4中二级标准要求;由表9.2-3可知,项目有组织废气排放速率及臭气浓度均符合《恶臭污染物排放标准》GB14554-93表2中标准限值。
11.1.3 噪声验收监测结论
由表9.2-5可知,项目厂界东、西、南、北昼、夜间噪声测值均符合《工业企业厂界环境噪声排放标准》(GB12348-2008)中表1中3类标准限值。
11.1.4 固体废物处置情况调查结论
项目产生的一般固体废物主要为:栅渣、沉砂、污泥以及少量生活垃圾等。污泥采用卧式螺旋卸料沉降离心机脱水处理工艺固液分离后与栅渣、沉砂以及生活垃圾一起每天清理运送至绥宁县城市垃圾填埋场卫生填埋。项目危险废物为:实验室废液、在线废液、废润滑油。实验室废液、在线废液、废润滑油分别装在不同的塑料桶中,暂存于厂内危废暂存间,集中收集后统一送由有资质的公司处置。
11.1.5 环境管理检查结论
阿克陶县城北轻工业园区污水处理厂建立了环保规章制度,有专人负责环保现场管理,安排了设备检修人员对环保设备进行维护,建立一套完整的规章制度,设立了环境保护档案管理。项目编制了突发环境事件应急预案,备案号为。
11.1.6 验收监测结论
阿克陶县城北轻工业园区污水处理厂建设项目的环保设施均按设计及环评批复要求建设并投入试运行,根据现场监测,各项污染因子的监测数据达标,项目达到环评、环评批复及相关环境管理要求,符合建设项目“三同时”环保验收条件。
11.2 建议
①加强对环保设施的管理,做好环保设施运行记录确保各污染物稳定达标排放。
②严格按要求管理固体废物,危险废物转移及委托处置应严格按照相关要求进行。
附件1:污水处理厂一期、二期环评批复












附件2:排污许可证

附件3:监测报告








