阿克陶县城东污水处理厂扩建项目竣工环境保护验收监测报告
| 索 引 号 | K45893645/2022-02258 | 主题分类 | |
| 名 称 | |||
| 主 题 词 | 污水处理厂 扩建 验收 | 成文日期 | |
| 文 号 | 〔〕号 | 发布日期 | 2022-06-01 15:05 |
| 发文单位 | 阿克陶县住建局 | 发布机构 | 阿克陶县住建局 |
阿克陶城东污水处理厂扩建项目竣工环境保护验收监测报告
建设单位: 阿克陶县住房和城乡建设局
编制单位:新疆绿碧天成环保科技有限公司
二〇二二年六月
|
建设单位: |
阿克陶县住房和城乡建设局 |
|
法人代表: |
买合木提·米曼 |
|
编制单位: |
新疆绿碧天成环保科技有限公司 |
|
法人代表: |
|
|
项目负责人: |
|
|
填表人: |
|
|
建设单位:阿克陶县住房和城乡建设局 |
编制单位:新疆绿碧天成环保科技有限公司 |
|
电话:13279895981 |
电话: |
|
传真:/ |
传真: |
|
邮编:845550 |
邮编: |
|
地址:阿克陶县白山路5院发展大厦11楼 |
地址: |
|
|
|
|
粗格栅 |
细格栅 |
|
|
|
|
二沉池 |
AA/O池 |
|
|
|
|
混凝清滤池 |
滤池进水池 |
|
|
|
|
贮泥池 |
污泥脱水间 |
|
|
|
|
污泥脱水间压滤设备 |
进水检测室 |
|
|
|
|
鼓风机间 |
生物除臭滤池 |
|
|
|
|
在线监测仪 |
污水处理厂总排口 |
|
|
|
|
处理厂内环保标识牌 |
厂区内绿化 |
表一 建设项目概况
|
建设项目名称 |
阿克陶城东污水处理厂扩建工程项目 |
||||||||||||||||||||||||||||||||||||||||||||||||||||||||||||||||||||||||||||||||||||||||||||||||||||||||||||||||
|
建设单位名称 |
阿克陶县住房和城乡建设局 |
||||||||||||||||||||||||||||||||||||||||||||||||||||||||||||||||||||||||||||||||||||||||||||||||||||||||||||||||
|
建设项目性质 |
改扩建 |
||||||||||||||||||||||||||||||||||||||||||||||||||||||||||||||||||||||||||||||||||||||||||||||||||||||||||||||||
|
建设地点 |
阿克陶县城东部6.4km处 |
||||||||||||||||||||||||||||||||||||||||||||||||||||||||||||||||||||||||||||||||||||||||||||||||||||||||||||||||
|
设计处理规模 |
环评设计新增污水处理规模为1.0万m3/d |
||||||||||||||||||||||||||||||||||||||||||||||||||||||||||||||||||||||||||||||||||||||||||||||||||||||||||||||||
|
实际处理规模 |
实际新增处理规模为1.0万m3/d |
||||||||||||||||||||||||||||||||||||||||||||||||||||||||||||||||||||||||||||||||||||||||||||||||||||||||||||||||
|
建设项目环评时间 |
2021年3月25日 |
开工建设时间 |
|
||||||||||||||||||||||||||||||||||||||||||||||||||||||||||||||||||||||||||||||||||||||||||||||||||||||||||||||
|
调试时间 |
2022年3月 |
验收现场监测时间 |
2022年 |
||||||||||||||||||||||||||||||||||||||||||||||||||||||||||||||||||||||||||||||||||||||||||||||||||||||||||||||
|
环评报告表 审批部门 |
克孜勒苏柯尔克孜自治州生态环境局 |
环评报告表 编制单位 |
北京国环益达环保科技有限公司 |
||||||||||||||||||||||||||||||||||||||||||||||||||||||||||||||||||||||||||||||||||||||||||||||||||||||||||||||
|
环保设施 设计单位 |
|
环保设施 施工单位 |
|
||||||||||||||||||||||||||||||||||||||||||||||||||||||||||||||||||||||||||||||||||||||||||||||||||||||||||||||
|
投资总概算 |
5110.66 |
环保投资 总概算 |
92.0 |
比例 |
2.03% |
||||||||||||||||||||||||||||||||||||||||||||||||||||||||||||||||||||||||||||||||||||||||||||||||||||||||||||
|
实际总概算 |
5110.66 |
环保投资 |
92.0 |
比例 |
2.03% |
||||||||||||||||||||||||||||||||||||||||||||||||||||||||||||||||||||||||||||||||||||||||||||||||||||||||||||
|
验收监测依据 |
1.1 建设项目环境保护相关法律、法规和规章制度 (1)《中华人民共和国环境保护法》,2015.1.1; (2)《中华人民共和国环境影响评价法》,2019.1.11; (3)《中华人民共和国大气污染防治法》,2018.11.13; (4)《中华人民共和国水污染防治法》,2018.1.1; (5)《中华人民共和国环境噪声污染防治法》,2019.1.11; (6)《中华人民共和国固体废物污染环境防治法》,2020.9.1; (7)《建设项目环境保护管理条例》(国务院令第682号),2017.10.1; (8)《建设项目竣工环境保护验收暂行办法》(国环规环评[2017]4号),2017.11.20。 (9)关于印发《污染影响类建设项目重大变动清单(试行)》的通知(环办环评函〔2020〕688号,2020.12.13); 1.2 建设项目竣工环境保护验收收技术规范 (1)《建设项目竣工环境保护验收技术指南 污染影响类》(生态环境部公告2018年第9号); (2)《环境空气质量标准》(GB3095-2012)二级标准; (3)《地表水环境质量标准》(GB3838-2002)Ⅲ类标准; (4)《地下水质量标准》(GB/T14848-2017)Ⅲ类标准; (5)《城镇污水处理厂污染物排放标准》(GB18918-2002)一级A标准。 1.3 建设项目环境影响报告表及其审批部门审批决定 (1)《阿克陶城东污水处理厂扩建工程项目环境影响评价报告表》,北京国环益达环保科技有限公司,2021.3; (2)《关于<阿克陶城东污水处理厂扩建工程项目环境影响评价报告表>的批复》(克环评函﹝2021﹞17号),2021.3.25; 1.4 其他相关文件 (1)委托书
|
||||||||||||||||||||||||||||||||||||||||||||||||||||||||||||||||||||||||||||||||||||||||||||||||||||||||||||||||
|
验收监测评价标准、标号、级别、限值 |
本次验收监测评价标准来源于本项目环评及批复。 1.5 执行标准 根据《阿克陶城东污水处理厂扩建工程项目环境影响评价报告表》以及《关于<阿克陶城东污水处理厂扩建工程项目环境影响评价报告表>的批复》(克环评函﹝2021﹞17号)并结合现行适用标准,本项目验收执行标准如下: (1)废气:执行《城镇污水处理厂污染物排放标准》(GB18918-2002)中表4中的二级标准; (2)废水:执行《城镇污水处理厂污染物排放标准》(GB18918-2002)及修改单中表1的一级A标准和《城市污水再生利用 绿地灌溉水质》(GB/T25499-2010)标准; (3)噪声:《工业企业厂界环境噪声排放标准》(GB12348-2008)中的3类声环境噪声排放限值; (4)固废:一般固体废物执行《一般工业固体废物贮存和填埋污染控制标准》(GB18599-2020);危险废物执行《危险废物贮存污染控制标准》(GB18597-2001)及其修改单规定。 1.6 环评、验收执行标准对照 表1-1 环评、验收监测执行标准对照表
|
||||||||||||||||||||||||||||||||||||||||||||||||||||||||||||||||||||||||||||||||||||||||||||||||||||||||||||||||
|
总量控制标准 |
《关于<阿克陶城东污水处理厂扩建工程项目环境影响评价报告表>的批复》(克环评函﹝2021﹞17号)对阿克陶城东污水处理厂本次新增主要污染物总量控制指标为COD:456.25t/a;NH3-N:45.62t/a。
|
||||||||||||||||||||||||||||||||||||||||||||||||||||||||||||||||||||||||||||||||||||||||||||||||||||||||||||||||
表二 项目建设情况
|
2.1 项目建设背景及建设历程 2.1.1 项目背景 近几年来,随着阿克陶县的快速发展,招商引资的力度增大,为了加快阿克陶县的城镇化建设的进程,基础设施的建设势必要加快步伐,否则基础设施的不完善将成为阿克陶县发展的瓶颈。阿克陶县于2015年在县城东侧6.4km处建成阿克陶县城区污水处理厂,主要接纳阿克陶县城生活污水,原设计日处理污水量1.5万m3/d,采用氧化沟处理工艺,出水水质达到国家污水厂出水达到《城镇污水处理厂污染物排放标准》出水标准可以达到一级A标准。目前,随着阿克陶县城的发展,污水排量正在逐年增长,现状污水厂已经满足不了县城发展的需要。鉴于以上原因,《阿克陶县城东污水处理厂扩建工程》的建设扩建1.0万m³/d污水厂,规模达到2.5万m³/d。 本项目主要为扩建1.0万m³/d污水处理规模,使现有处理规模达到2.5万m³/d。 2.1.2 项目建设历程 (1)立项 2020年阿克陶县发展和改革委员会同意对“阿克陶县城东污水处理厂扩建工程”进行立项,立项批准文号为:陶发改字【2020】144号。 (2)环评手续 2021年1月,北京国环益达环保科技有限公司编制《阿克陶城东污水处理厂扩建项目工程环境影响报告表》。2021年3月25日,克孜勒苏柯尔克孜自治州生态环境局以“克环评函﹝2021﹞17号”对该项目予以批复,批复建设内容为:在原有污水厂现状处理规模1.5万m³/d的基础上扩建1.0万m³/d,使处理规模达到2.5万m³/d。主要建(构)筑物有AAO池、二沉池、高效澄清池间提升泵站、高效澄清池间、反硝化深床滤池间、接触消毒池及出水计量槽、污泥浓缩池、污泥脱水间、鼓风机房等。该项目总投资为5110.66万元,其中环保投资为92万元,占总投资比例的2.03%。 项目于2021年5月开工建设,2022年3月建成试运行。 (3)排污许可 项目已于2022年6月26日取得排污许可证(编号:916530222299401995001Z)(见附件2)。
(4)验收 2022年5月,新疆绿碧天成环保科技有限公司受阿克陶县住房和城乡建设局委托,对“阿克陶城东污水处理厂扩建项目工程”进行竣工环境保护验收工作。 我公司依据《国务院关于修改〈建设项目环境保护管理条例〉的决定》(国务院令682号)、《建设项目竣工环境保护验收暂行办法》的公告(国环规环评〔2017〕4号)、《建设项目竣工环境保护验收技术指南 污染影响类》(公告2018年第9号),于2022年11月进行现场踏勘,在现场踏勘及资料核实的基础上,编制完成《阿克陶城东污水处理厂扩建项目工程竣工环境保护验收调查方案》,于2022年5月26日~5月28日进行现场监测;根据调查及监测结果,2022年6月编制完成本工程竣工环境保护验收调查报告。 验收范围: 本次验收范围包括:主体工程、配套辅助工程、环保工程等,详见表2-2。 验收监测内容: (1)废水排放监测; (2)废气排放监测; (3)工业企业厂界环境噪声排放监测; (4)固体废弃物处置情况检查; (5)环境风险防范措施检查; (6)环境保护管理制度检查。 2.2 地理位置及平面布置 2.2.1 地理位置及外环境关系 本项目位于阿克陶县城东侧6.4km处,中心地理坐标为北纬39°9'56.95",东经76°2'0.76",本工程在现状污水厂东侧预留用地上扩建。项目所在区域内电力、电讯、给水、交通等基础配套设施齐全,与环评一致。项目地理位置见附图1。 经调查,项目区北侧为空地,约70m处为生态林;项目区南侧为空地,约70m处为农田;西南侧约890m处为阿恰勒村;西侧为空地,约70m处为农田,东侧为空地,约160m处为农田。详见图2项目与周边关系图。
图1 地理位置图 表2-1 本次竣工环保验收敏感点调查一览表
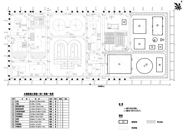
图2 项目与周边关系图 2.2.2 平面布置 污水厂主要生产构筑物包括进水控制井、细格栅间及旋流沉砂池间、AAO 池、二沉池、深度处理提升泵池、深度处理车间、污泥回流泵池、污泥脱水间、消毒池等构筑物。 厂区平面布置按本期污水处理工艺设计进行投产建设,污水厂主入口设置一条宽4米的进厂道路。厂区沿厂区周边设一环形道路。与环评一致,项目平面布置见附图3。
图3 厂区平面图 注:红色区域为本项目厂区建设构筑物 2.3 工程建设内容 2.3.1 项目基本情况 (1)项目名称:阿克陶城东污水处理厂扩建工程; (2)建设单位:阿克陶县住房和城乡建设局; (3)建设地点:阿克陶县城东侧6.4km处,中心地理坐标为北纬39°9'56.95",东经76°2'0.76",本工程在现状污水厂东侧预留用地上扩建。 (4)建设性质:扩建; (5)项目投资:本项目总投资5110.66万元,环保投资92万元,环保投资比例2.03%。 (6)生产制度:本项目年运行365天,污水处理设施全天24小时运行。 (7)本次新增劳动定员为7人。 (8)建设内容:污水厂现状处理规模为1.5万m³/d,扩建1.0万m3/d污水厂,规模达到2.5万m3/d。主要建(构)筑物有AAO池、二沉池、高效澄清池间提升泵站、高效澄清池间、反硝化深床滤池间、接触消毒池及出水计量槽、污泥浓缩池、污泥脱水间、鼓风机房等。 2.3.2 项目组成 项目组成及主要环境问题详见下表。 表2-2 建设内容一览表
2.4 项目主要设备 项目使用主要设备见下表。 表2-3 项目主要生产设备一览表
2.5 主要构筑物一览表 项目使用主要设备见下表。 表2-4 污水处理厂建构筑物一览表
2.6 项目用水及动力供给 公用工程主要依托原污水厂设施。(1)给水 本项目运营期供水由阿克陶县市政用水管网供给,可满足项目区生产、生活用水需求。 (2)排水 生活污水主要靠管网收集污水后再通过DN300管自流进入本项目污水处理站;生活污水经本污水处理站达到《城镇污水处理厂污染物排放标准》(GB18918-2002)一级A标准后用于灌溉下游林地,距离污水厂下游8公里处有1.5万亩林地。 (3)供电 本项目供电由阿克陶县市政供电供给,为保证污水处理站电气系统的连续、可靠运行,本项目由市政电网供电。 (4)供暖 厂内目前使用0.65MW电锅炉。 2.7 工艺流程及产物环节 本项目污水处理厂扩建完成后运营期主要接收阿克陶县居民生活排水,厂内工作人员从现有污水处理厂统一调配,运营期主要污染新增恶臭、新增反硝化深床滤池反冲洗水、新增污泥过滤排水、污水处理厂尾水、反洗鼓风机、水泵等设备噪声、新增污泥等。本项目运营期工艺流程及产污节点见图4。
图4 工艺流程及产污节点示意图 注:AA/O池由厌氧池、缺氧池和好氧(曝气)池三个工序组成。 污染源: 恶臭:格栅间、旋流沉砂池、污泥储池、污泥脱水间和A2/O池中的厌氧池。 废水:反硝化深床滤池间、污泥脱水间。 噪声:鼓风机房、深度处理提升泵池、污泥回流泵池,末端提升泵站。 固废(主要是污泥):粗、细格栅间、旋流沉砂池间,污泥脱水间和高密度沉淀池间。
主要工艺流程简述 本项目主要处理距污水厂6.4km处阿克陶县的城市污水,污水经粗、细格栅间和沉砂池初步过滤掉污水中废残渣,再进入A2/O池进行深度处理,A2/O工艺也是在普通曝气的基础上,欲将同时解决除磷、脱氮问题而派生的工艺。其工艺流程是在传统活性污泥工艺基础上,增加了厌氧、缺氧单元由厌氧池、缺氧池和好氧(曝气)池三个工序组成。污水进入厌氧池,与由二沉池回流的含磷污泥混合,含磷回流污泥在厌氧池中释放磷,同时降解污水中的部分有机物;厌氧池出水进入缺氧池,与从好氧池回流的硝化液混合,进行反硝化脱氮,将硝酸盐还原成氮气从水中逸出;缺氧池的出流进入好氧池(曝气池),在此降解BOD、硝化氨氮、过量吸磷等多项反应,最后在二沉池进行泥、水分离,一部分污泥回流至厌氧池,上清液达标排放。二沉池的出水进入高密度沉淀池间把污水中的胶体和细微悬浮物凝聚成絮凝体被进一步分离除去;然后处理过的污水分两部分,一部分由污泥回流泵池进入污泥脱水环节,另一部分进入具有同步去除总氮量、总磷量和悬浮物功能的反硝化深床滤池进一步处理再经紫外线消毒后达标用于污水厂下游林地灌溉。 2.8 工艺流程及产物环节 根据验收现场调查,结合环境影响评价文件,对照“环办环评函〔2020〕688号”中关于印发《污染影响类建设项目重大变动清单(试行)》的通知,建设项目发生上述 变化中的一项或一项以上界定为重大变动。本项目变动情况见表2-5。 表2-5 本项目变动情况表
由上表可知,本项目未发生重大变动。
|
|||||||||||||||||||||||||||||||||||||||||||||||||||||||||||||||||||||||||||||||||||||||||||||||||||||||||||||||||||||||||||||||||||||||||||||||||||||||||||||||||||||||||||||||||||||||||||||||||||||||||||||||||||||||||||||||||||||||||||||||||||||||||||||||||||||||||||||||||||||||||||||||||||||||||||||||||||||||||||||||||||||||||||||||||||||||||||||||||||||||||||||||||||||||||||||||||||||||||||||||||||||||||||||||||||||||||||||||||||||||||||||||||||||||||||||||||||||||||||||||||||||||||||||||||||||||||||||||||||||||||||||||||||||||||||||||||||||||||||||||||||||||||||||||||||||||||||||||||||||||||||||||||||||||||||||||||||||||||||||||||||||||||||||||||||||||||||||||||||||||||||||||||||||||||||||||||||||||||||||||||||||||||||||||||||||||||||||||||||||||||||||||||||||||||||||||||||||||||||||||||||||||||||||||||||||||||||||||||||||||||||||||||||||||||||||||||||||||||||||||||||||||||||||||||||||||||||||||||||||||||||||||||||||||||||||||||||||||||||||||||||||||||||||||||||||||||||||||||||||||
表三 污染物处理和排放
|
3.1 主要污染源、污染物产生和排放 根据本项目的特点,本项目营运期主要污染工序有: (1)废气:污水处理各个单元产生的无组织臭气。 (2)废水:主要为锅炉排水、污水处理厂尾水、生活污水。 (3)噪声:以设备噪声为主。 (4)固废:主要为栅渣、沉砂、污泥、废机油和检修废物、生活垃圾等。 3.1.1 废气 来源:本项目废气主要为污水处理厂AA/O池中的厌氧池、污泥储存池和污泥脱水间单元等产生的恶臭气体。 恶臭气体成分复杂,主要污染物为H2S、NH3等,均为无组织排放。 实际治理设施:本项目应优化厂区平面布置,将AA/O设备、污泥脱水间等产生臭气的工段布置在远离居民的一侧,同时对恶臭排放源加以控制,覆盖污泥处理设施和避免在厂内储存脱水污泥;在处理厂周围暂未设置绿化带;处理设施合理布局,减少臭味到达受体的机会等措施,可降低恶臭对周围环境的影响。 经调查,本项目主要采取生物滤池,滤池填料采用有机生物填料,填料主要成分为木渣、树皮,在生物滤池启动前此填料需经含有微生物菌种的溶液处理。 3.1.2 废水 来源:本项目运营期间产生的废水主要为污水处理厂尾水、锅炉排水、生活污水。 实际治理设施: 污水处理厂尾水:污水处理后一级A标准尾水约由1.5万m3/d(547.5万m3/a)扩大至25000m3/d(912.5万m3/a),处理达标的尾水夏季直接用于下游林地灌溉,冬季储存于储水塘,储水塘库容108万m3。 锅炉排水:项目锅炉排水主要为软化设备的反冲洗水,排水量为0.225m3/d,此类废水进入了厂区处理系统,与进厂污水进行了合并处理。 生活污水:项目劳动定员7人,运营期间工作人员产生的生活污水量约为0.71m3/d,本项目生活污水经管网收集后进入污水处理系统进行处理后用于下游林地灌溉。
表3-1 项目废水治理情况汇总表
3.1.3 噪声 本项目噪声源主要是污水处理厂工程设备运行的噪声,包括各类生产用泵、鼓风机、搅拌器等。本项目主要采取以下措施: ①在设备选型时,应选择噪声值较低的环保型设备,并对此类设备安装隔振装置,设置隔声间。 ②加强管理,提高职工的环保意识教育,提倡文明生产,降低人为噪声。 ③建立设备定期维护、保养的管理制度,以防止设备故障形成的非正常生产噪声。 3.1.4 固废处置情况 本项目运营期间产生的固体废弃物主要有工作人员产生的生活垃圾、栅渣、污泥。本项目的固体废物产生情况如下: (1)格栅渣本项目污水处理厂格栅间格渣新增量为0.27m³/d,年产格栅栅渣量为98.75m³/a(94.8t/a。)(2)沉砂本项目沉砂池运行过程会截留沉砂,沉砂通过砂斗排出,产生的沉砂量为0.48m³/d(175.2t/a)(3)污泥本次扩建部分现状污泥处理工艺为带式脱水机进行脱水处理,新增污泥量约为1168t/a,新增的污泥经污泥浓缩池浓缩、脱水机脱水后外运至阿克陶县垃圾填埋场填埋处置。(4)废机油和检修废物本项目水泵等设备定期进行检修、保养,将产生少量废机油和检修废物等,此类废弃物为危险废物,属于《国家危险废物名录》中代码为HW49其他废物中900-041-49“含有或沾染毒性、感染性危险废物的废弃包装物、容器、过滤吸附介质”类废物。本次验收阶段未产生废机油和检修废物。(5)生活垃圾本项目生活垃圾产生量为2.56t/a,收集后暂存于垃圾桶内,由环卫部门统一清运处理。3.1.5 其他环境保护设施 (1)环境风险设施 防渗工程:AAO池、二沉池、高密度度沉淀池、反硝化泥床滤池间、反冲洗废水池、污泥回流泵池、污泥浓缩池、污泥脱水间等池体重点防渗处理。深度处理提升泵池、加药间、配泥井一般防渗处理。 应急物资储备:本项目储备有灭火器、口罩防护器具、下水服、救生圈等。 (2)规范化排污口 废水排放口:排污口规范设置、标识清晰,满足采样监测要求,并设置规范化排污口标志牌。 3.2 污染防治设施投资及“三同时”落实情况 本项目设计总投资5110.66万元,其中环保投资为92万元,占总投资的1.85%;实际总投资为5110.66万元,其中环保投资为92万元,占总投资的1.85%,具体情况下表。表3-2 项目污染防治设施环境保护措施及投资一览表
|
|||||||||||||||||||||||||||||||||||||||||||||||||||||||||||||||||||||||||||||||||||||||||||||||
表四 环境影响报告表主要结论与建议及其审批部门审批决定
|
4.1 建设项目环境影响报告表主要结论与建议 (一)项目概况 项目名称:阿克陶城东污水处理厂扩建工程项目; 建设单位:阿克陶县住房和城乡建设局; 建设地点:阿克陶县城东部6.4km处; 建设性质:扩建; 工程总投资及资金来源:项目投资5110.66万元,其中环保投资92万元,占总投资的1.82%; 建设内容:污水厂现状处理规模为1.5万m³/d,扩建1.0万m³/d污水厂,规模达到2.5万m³/d。主要建(构)筑物有AAO池、二沉池、高效澄清池间提升泵站、高效澄清池间、反硝化深床滤池间、接触消毒池及出水计量槽、污泥浓缩池、污泥脱水间、鼓风机房等。 (二)产业政策和区域规划符合性 根据《国务院关于发布实施<促进产业结构调整暂行规定>的决定》国发 (2005) 号文本项目属于城市环境基础设施改善类工程,属于《产业结构调整指导目录》(2019年本)鼓励类二十二项第7条“城镇安全饮水工程、供水水源及净水厂工程”,项目符合国家产业政策。 本项目所用设备不属于《部分工业行业淘汰落后生产工艺装备和产品指导目录(2010 年本)》(工业和信息化部,工产业[2010]第122号)。因此,本次项目设备符合国家相关政策的规定。 (三)项目规划符合性和选址合理性分析结论 (1)与相关规划符合性 根据为扩建工程,本次扩建不新增占地。本项目所在场地为非基本农田保护区,符合阿克陶县土地利用规划。 (3)项目选址合理性分析 本项目现状污水厂位于县城东部6.4km米处,占地面积为面积约为3.36公顷,预留有远期用地,故本期在现状污水厂东侧预留用地上扩建。项目所在区域内电力、电讯、给水、交通等基础配套设施齐全。具体位置见图1。 从环境承载力角度看,项目所在地环境空气质量满足《环境空气质量标准》 (GB3095-2016)中二级标准限值的要求;项目所在地声环境质量满足《声环境质量标准》(GB3096-2008)3类标准要求;项目地表水质满足《地下水质量标准》(GB/T14848-2017)III类标准要求,说明区域地下水水质情况较好。 项目建设用地符合平等乡总体规划。管网设计方案能够充分利用重力流,管线沿道路布置,施工较方便。综上所述,本项目的选址合理。 (四)区域环境质量现状 项目所在地环境空气质量能满足《环境空气质量标准》(GB3095-2012)中二级标准 要求;项目所在地声环境满足《声环境质量标准》(GB3096-2008)3类标准要求;项目地下水指标均能满足《地表水环境质量标准》(GB3838-2002)中Ⅲ类标准要求。 (五)施工期环境影响结论 严格按规范要求,加强对施工噪声、施工扬尘、机动车尾气、施工废水、施工渣土、 生态环境等环境管理,杜绝施工期污染物的无序排放,加强水土流失防治,缓减对区域生态环境的影响。 (六)运营期环境影响结论 项目运营期使用电锅炉,新增工作人员7人。主要新增大气污染物为格栅间、沉砂池、贮泥池、污泥脱水机房恶臭,故污水处理厂除臭设备采用生物滤池,滤池填料采用有机生物填料及污水处理区和道路旁建设绿化带措施。对项目区及周边环境影响甚微。 项目运行期间产生的污废水主要为新增人员的生活污水和污水处理后尾水。污水处理后尾水出水达到《城镇污水处理厂污染物排放标准》(GB18918-2002)及修改单中一级A标准和《城市污水再生利用 绿地灌溉水质》(GB/T25499-2010)后冬季储存与污水储存塘中,夏季用于灌溉下游林地。 项目噪声主要为泵、风机、搅拌设备等。经选用低噪声泵、风机、搅拌设备,离心风机和离心浓缩脱水一体机,加装了隔声罩,加强设备维护管理使得昼间、夜间厂界噪声叠加值均低于《工业企业厂界环境噪声排放标准》(GB12348-2008)中3类标准限值,厂界外最近声环境敏感点主要为污水处理厂西南侧约890m处的阿恰勒村,扩建运营期噪声对项目区周边声环境敏感点影响较小。 项目运营期固废主要为员工生活垃圾、新增格栅渣、新增沉砂排砂和新增污泥。生活垃圾新增格栅渣、新增沉砂排砂由厂内工作人员统一收集后交由阿克陶县环卫部门定期清运填埋处置。危废暂存间要求门口设置标识标牌和危废信息板,定期交由当地有相应危废处置资质的单位拉运处置,对项目区及周边环境影响较小。 (七)环境影响评价总体结论 本项目的建设促进经济的发展等方面将发挥巨大的作用,工程建设的环境效益、社会效益、经济效益显著。严格落实本环评提出的环保措施后,工程营运期间的环境影响不大。因此,在采取本报告提出的防治措施的前提下,从环保角度讲阿克陶县城区污水处理厂扩建工程项目的建设是可行的。 (八)建议 ①运营过程中建设单位应严格执行环评报告提出的各项污染控制措施,减少废气、噪声及废水对周围环境带来的污染。 ②厂区内设备、设施进行定期维修及日常性的维护检查,发现问题及时解决,杜绝事故的发生。 4.2 审批部门审批决定 阿克陶县住房和城乡建设局: 你单位上报的《关于对〈阿克陶城东污水处理厂扩建工程项目环境影响报告表〉进行审批的申请》及相关附件已收悉,经研究,批复如下: 一、本项目位于阿克陶县城东侧6.4km处,原污水厂处理规模为1.5万m3/d,2019年完成提标改造,污水排放标准从一级B准提标到一级A,提标工艺为:Biostyr+混凝+高效短程沉淀池+过滤+消毒,2019年我局出具了《阿克陶县城区污水处理厂技改与提标工程项目环境影响报告表的批复》(克环评函〔2019〕61号),该项目于2020年6月建设完成,2020年12月完成竣工验收。 阿克陶城东污水处理厂扩建工程项目是在原有污水厂处理规模为1.5万m3/d基础上扩建1.0万m3/d,规模达到2.5万m3/d。本项目建设主要内容为新建一条处理规模15000m3/d的污水处理工程。主体工程包括AAO池、二沉池、高效澄清池间提升泵站、高效澄清池间、反硝化深床滤池间、接触消毒池及出水计量槽、污泥浓缩池、污泥脱水间、深度处理车间、鼓风机房等,公用工程、环保工程依托原有工程。本项目处理的尾水达标后夏季直接排入下游林地灌溉和城市绿化,冬季储存于库容108万m3的储水塘。 项目总投资5110.66万元,其中环保投资92万元,占总投资比例为1.82%。 根据北京国环益达环保科技有限公司编制的《阿克陶城东污水处理厂扩建工程项目环境影响报告表》(以下简称《报告表》)的评价结论和阿克陶县生态环境分局对《报告表》的初审意见(陶环初审字〔2020〕20号),该项目不涉及自然保护区、风景名胜区、饮用水源保护区等环境敏感区域。在严格落实《报告表》提出的各项环境保护措施后,该项目所产生的不利环境影响可以得到缓解和控制,我局原则同意你局按照《报告表》中所列建设项目性质、规模、地点、工艺和拟采取的各项环境保护措施进行建设。 二、在工程设计、建设和日常管理中认真执行环保“三同时”制度,落实环境污染防治与生态保护措施,加强日常环境管理工作,确保各项污染物达标排放,并重点做好以下工作: (一)严格落实施工期各项环保措施。加强项目施工期间环境保护管理,防止施工期废水、扬尘、固体废物和噪声对周围环境产生不利影响。严格控制施工占地,减少对项目区域地表的扰动,施工结束后及时进行地貌恢复。 (二)严格落实大气污染防治措施。格栅问、沉砂池、贮泥池和污泥脱水车间等产生的恶臭,采用生物滤池处理。加强厂区绿化,严格控制无组织恶臭排放,厂界无组织恶臭污染物浓度须符合《城镇污水处理厂污染物排放标准》(GBl8918-2002)(及修改单)中的二级标准要求。本项目150m卫生防护距离内不得规划建设学校、医院、居民点等,对环境空气质量要求较高的建筑和设施。 (三)严格落实各项水污染防治措施。污水处理厂的进水口、出水口设置污水在线监控设备并与生态环境部门联网,对进水水质、水量严格监控。本项目处理后达标的尾水仅用于夏季直接排入下游林地灌溉及城市绿化,冬季储存于储水塘。处理后出水水质达到《城镇污水处理厂污染物排放标准》(GBl8918-2002)及修改单中一级A标准和《城市污水再生利用绿地灌溉水质》(GB/T25499-2010)标准后分别用于下游林地灌溉及城市绿化,冬季排入储存池。 (四)严格落实噪声防治措施。选用低噪声设备,产生机械噪声的设备安装在厂房内,并进行减振降噪处理;厂界四周设绿化隔离带。运营期厂界噪声值须满足《工业企业厂界环境噪声排放标准》(GB12348-2008)3类功能区噪声限值要求。 (五)严格落实各项固体废物处置措施。格栅渣、排砂和经污泥浓缩池浓缩、脱水机脱水的污泥,由厂内工作人员统一收集后交由阿克陶县环卫部门定期清运填埋处置,生活垃圾统一收集定期清运至阿克陶县生活垃圾处理场处理。废机油和检修废物属于《国家危险废物名录》中代码为HW49其他废物中900-041-49“含有或沾染毒性、感染性危险废物的废弃包装物、容器、过滤吸附介质”类废物,此类废物统一收集放入专用收集桶和包装袋后存储于具备“三防”功能的危废暂存间,危废暂存问门口设置标识标牌和危废信息板,定期交山有相应危废处置资质的单位拉运处置,危险废物收集、贮存、运输须满足《危险废物贮存污染控制标准》(GB18597-2001)及其修改单、《危险废物收集、贮存、运输技术规范》(HJ2025-2012)及《危险废物转移联单管理办法》的要求。一般工业固体废物贮存须满足《一般工业固体废物贮存、处置场污染控制标准》(GB18599-2001)要求。 (六)强化环境风险防范和应急措施。企业须建立严格的环境与安全管理体制,制订完善的环保规章制度,按照《关于印发<企业事业单位突发环境事件应急预案备案管理办法(试行)>的通知》(环发〔2015〕4号)要求做好环境应急预案的编制、评估、备案工作,并定期演练。设置足够容积的事故池,用于事故状态下及非正常工况下的废水收集,收集废水待故障排除后重新返回处理,严禁不达标废水直接排放。严格操作规程,做好运行记录,定期检修,发现隐患及时处理,杜绝非正常工况及事故排放对环境产生影响。进水口和出水口监测数据出现异常,应立即启动应急预案。 (七)按照排污口设置及规范化整治管理的相关规定设置各类排污口,按要求标识。规范建设废水污染源在线自动监控设施并与生态环境部门联网,确保正常运行。加强自动监测数据有效性审核等工作。 六、项目运行期必须严格执行污染物排放总量控制要求,确保各类污染物排放总量控制在核定的指标内(化学需氧456.25t/a;氨氮45.62t/a)。严格控制恶臭污染物排放。做好与排污许可证申领的衔接,在排污许可证中载明批准的环境影响报告表中各项环境保护措施、污染物排放清单等的执行情况及其他有关内容,并按证排污。 七、你单位应按《报告表》及批复要求建设各项环保设施,项目建设竣工后,须按规定程序开展竣工环境保护验收,验收合格后,方可正式投入运行,如工程的性质、规模、地点、工艺、防治污染、防止生态破坏的措施发生重大变动,须报我局重新审批。自环评批复文件批准之日起,如建设项目超过5年未开工建设,环境影响评价文件应当报克州生态环境局重新审核。 八、你单位应在收到本批复后20个工作日内,将批准后的《报告表》送至阿克陶县分局,并按规定接受各级环境保护行政主管部门的监督检查。
|
表五 验收监测质量保证及质量控制
|
5.1 监测分析方法、监测仪器及人员资质情况 本次竣工环境保护验收监测由 按照竣工环境保护验收监测方案进行监测。监测分析方法采用国家有关部门颁发的标准(或推荐)方法,监测人员经过考核合格并持有上岗证。 所有监测仪器、量具均经过计量部门检定合格并在有效期内使用。各监测因子的监测分析方法及方法来源等信息详见下表5-1~5-3: 表5-1 无组织废气检测方法、方法来源、使用仪器及检出限
表5-2 噪声检测方法、方法来源、使用仪器及检出限
表5-3 废水检测方法、方法来源、使用仪器及检出限
表5-4 污泥检测方法、方法来源、使用仪器及检出限
5.2 质量控制和质量保证 验收监测中及时了解工况情况,确认设施是否正常运行,合理布设监测点位,确保整个监测过程符合相关技术规范及要求。 本次验收监测采取严格遵守国家监测分析方法和技术规范、仪器校准、人员持证上岗、测试加标密码样和平行样、数据三级审核等全过程质量控制。 5.2.1 废气监测质量保证措施 ①现场监测前,制定现场监测质控方案,并由质控室派专人进行现场质控。 ②大气采样仪在进入现场前应对采样仪流量计、仪器内置的温度、压力等参数进行校核。 ③进入现场的气象因素测量仪器需满足测量要求,且在计量检定周期内。 ④无组织废气在现场采样、测试时,按各监测项目质控要求,采集一定数量的现场空白样品。 ⑤无组织废气在现场监测时,应按当地风向变化及时调整监控点和参照点位置,在现场采样时段同时测量气象因素。 5.2.2 废水监测质量保证措施 ①监测分析方法采用国家有关部门颁发的标准(或推荐)方法,监测人员经过考核合格并持有上岗证;所有监测仪器、量具均经过计量部门检定合格并在有效期内使用。 ②采样人员严格按照监测技术规范进行采样操作,认真填写采样记录,按规定保存、运输样品。 ③废水监测每个监测项目采集10%现场空白和10%现场平行样;实验室分析过程中,由监测人员自行随机抽取10%以上的样品进行平行双样测定,在可以测定加标回收率的样品中随机抽取10%以上样品进行加标回收率测定。以此对分析结果的准确度经精密度进行控制。 5.2.3 噪声监测质量保证措施 厂界噪声监测依据《工业企业厂界环境噪声排放标准》(GB12348-2008)中相应要求进行。质量控制执行《工业企业厂界环境噪声排放标准》(GB12348-2008)有关部分。 ①监测时使用经计量部门检定、并在有效使用期内的声级计; ②噪声统计分析仪在每次使用前需进行校验; ③灵敏度相差不大于0.5dB(A),若大于0.5dB(A)测试数据无效; ④噪声统计分析仪使用时需加防风罩; ⑤避免在风速大于5m/s及雨雪天气下监测。 5.2.4 土壤监测质量保证措施 土壤依据《土壤环境监测技术规范》(HJ/T166-2004)技术规范进行布点和实施现场监测,限值低于《土壤质量环境 建设用地土壤污染风险管控标准(试行)》(GB36600-2018)表2中建设用地土壤污染风险筛选值; ①依据《土壤环境监测技术规范》(HJ/T166-2004)技术规范进行布点和实施现场监测; ②监测人员全部持证上岗; ③监测数据严格实行三级审核制度。
|
表六 验收监测内容
|
6.1 废气监测内容 该项目废气监测内容见下表。表6-1 废气监测内容及监测点位表
6.2 废水监测内容 该项目废水监测内容见下表。表6-2 废水监测内容及监测点位表
6.3 噪声监测内容 该项目噪声监测内容见下表。表6-3 噪声监测内容及监测点位表
|
表七 验收监测结果
|
7.1 验收监测期间运行工况记录 项目现场验收监测时间为2022年5月25日~5月26日,在此期间,本项目正常处理8354m3/d。检测期间,设备运行正常。污水处理站水处理量控制在要求范围内,其处理设施连续、稳定,配套的环保设施均正常运行,各项主要工艺指标均控制在要求范围内。 |
|||||||||||||||||||||||||||||||||||||||||||||||||||||||||||||||||||||||||||||||||||||||||||||||||||||||||||||||||||||||||||||||||||||||||||||||||||||||||||||||||||||||||||||||||||||||||||||||||||||||||||||||||||||||||||||||||||||||||||||||||||||||||||||||||||||||||||||||||||||||||||||||||||||||||||||||||||||||||||||||||||||||||||||||||||||||||||||
|
7.2 验收监测结果 7.2.1 无组织废气监测结果 本项目无组织排放监测结果见表7-1。 表7-1 无组织废气监测结果一览表
检测结果显示: 2022年5月25日~26日,阿克陶城东污水处理厂扩建项目工程验收检测项目的无组织废气硫化氢、氨、臭气浓度检测结果符合《城镇污水处理厂污染物排放标准》(GB18918-2002)中表4中的二级标准。 7.2.2 废水监测结果 本项目废水监测结果见表7-2。 表7-2 废水监测结果一览表 单位:mg/L
(备注:当检测结果低于方法检出限时,以“检出限+L”表示) 检测结果显示: 2022年5月26日,阿克陶城东污水处理厂扩建项目工程验收检测项目的废水总排口:pH、化学需氧量、五日生化需氧量、氨氮、悬浮物、阴离子表面活性剂、汞、铬、六价铬、粪大肠菌群、石油类、色度(倍)、动植物油、铅、总磷、总氮、镉、砷符合《城镇污水处理厂污染物排放标准》(GB 18918-2002)表1中一级A标准限值。 7.2.3 噪声监测结果 噪声监测结果及评价见表7-3。 表7-3 噪声监测结果一览表 单位:dB(A)
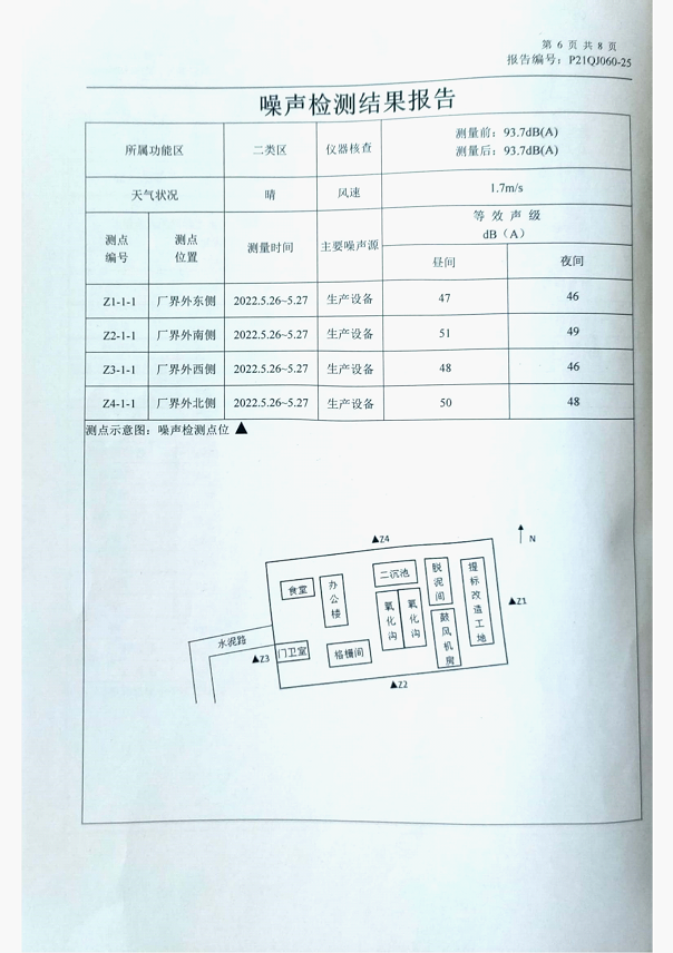
检测结果显示: 2022年5月26日~27日,阿克陶城东污水处理厂扩建项目验收检测项目的工业企业厂界噪声检测结果符合《工业企业厂界环境噪声排放标准》(GB12348-2008)表1中3类标准限值。 7.2.3 固体废物监测结果 固体废物检测结果及评价见表7-4。 表7-4 固体废物监测结果一览表 单位:dB(A)
检测结果显示: 2022年5月26日~27日,阿克陶城东污水处理厂扩建项目验收检测项目污泥含水率检测结果符合《城镇污水处理厂污染物排放标准》(GB 18918-2002)中的标准限值。
|
|||||||||||||||||||||||||||||||||||||||||||||||||||||||||||||||||||||||||||||||||||||||||||||||||||||||||||||||||||||||||||||||||||||||||||||||||||||||||||||||||||||||||||||||||||||||||||||||||||||||||||||||||||||||||||||||||||||||||||||||||||||||||||||||||||||||||||||||||||||||||||||||||||||||||||||||||||||||||||||||||||||||||||||||||||||||||||||
表八 环境管理检查
|
8.1 环保审批情况 该工程在建设过程中,执行了环境影响评价法和“三同时”制度。2020年阿克陶县发展和改革委员会同意对“阿克陶县城东污水处理厂扩建工程”进行立项,立项批准文号为陶发改字【2020】144号。2021年1月,北京国环益达环保科技有限公司编制《阿克陶城东污水处理厂扩建项目工程环境影响报告表》。克孜勒苏柯尔克孜自治州生态环境局于2021年3月25日下发了《关于<阿克陶城东污水处理厂扩建项目工程环境影响报告表>的批复》(克环评函﹝2021﹞17号)。 本项目于2021年5月开工建设的,本项目从项目立项到运行各阶段审批手续完备。环境保护设施与主体工程同时设计、同时施工、同时投入使用。 8.2 环境管理制度 1、环境管理机构:阿克陶城东污水处理厂建立了环境管理体系,成立了环保组织机构,由组长及各部门相关负责人组成,污水处理厂日常环保管理由行政部门负责,严格遵守“三同时”建设及相关国家法律法规,并配置相应的设施设备,加强了 对环境的保护和治理。 2、环境管理制度:阿克陶城东污水处理厂制定了环境管理制度,将环保工作纳入日常生产当中,对环保设施建立了定期检查、维护制度,保证环保设施正常运转。 3、项目于2022年6月26日取得排污许可证(编号:916530222299401995001Z)。 8.3 环保设施的运行维护、档案管理 建设项目的各项环保设施设备目前已建成并运行正常。 与工程有关的各项环保档案资料(如:环评报告、批复等)由阿克陶县住房和城乡建设局统一收存,环保设施的运行、维护及相关记录由操作人员负责。 8.4 风险防范措施检查 (1)污水处理站站内实行雨污分流。 (2)项目进出水口安装有流量计在线监控设施。 (3)项目采取分区防渗措施,AAO池、二沉池、高密度度沉淀池、反硝化泥床滤池间、反冲洗废水池、污泥回流泵池、污泥浓缩池、污泥脱水间等池体重点防渗处理。深度处理提升泵池、加药间、配泥井一般防渗处理。 8.5 环评批复落实情况 表8-1 环评批复要求措施与实际建设情况对照表
|
表九 验收监测结论及建议
|
9.1 验收监测结论 9.1.1 验收监测期间运行情况 验收检测期间,项目工况稳定,环保设施运转正常。 9.1.2 污染物排放情况 1、废气 验收监测期间,项目的无组织废气硫化氢、氨、臭气浓度检测结果符合《城镇污水处理厂污染物排放标准》(GB 18918-2002)表4中二级标准。 2、废水 验收监测期间,项目的废水排放符合《城镇污水处理厂污染物排放标准》(GB18918-2002)表1中一级A标准限值。 3、噪声 验收监测期间,项目的工业企业厂界噪声检测结果符合《工业企业厂界环境噪声排放标准》(GB12348-2008)2类标准限值。 4、固体废弃物 本项目固体废物进行了分类收集、分别处置。格栅栅渣、沉砂、生活垃圾等由环卫部门统一清运处理,污泥暂存于污泥储池,采用吸粪车及时外运至阿克陶县垃圾填埋场填埋处置。废机油和检修废物交由有资质的单位进行处置。项目固废去向明确,得到妥善处置。 9.1.3 环境管理检查 公司制定了相应的风险应急措施,推行安全生产,杜绝污染事故的发生。本项目已于2022年6月26日取得排污许可证(编号:916530222299401995001Z)。本项目严格执行了环保相关法律、法规,履行了“三同时”制度。 9.2 结论 综上所述,“阿克陶城东污水处理厂扩建项目”在设计、建设、投产过程中执行了环境影响评价法和“三同时”制度。项目实际总投资5110.66元,实际环保投资90.2万元,占2.03%。验收监测期间,本项目各污染物能够稳定达标排放且能满足总量控制要求。各固体废弃物去向明确,处置合理。项目建有环保管理规章制度和应急预案。建议该项目通过竣工环境保护验收。 |
附件1:项目批复





附件2:排污许可证

附件3:检测报告单





























