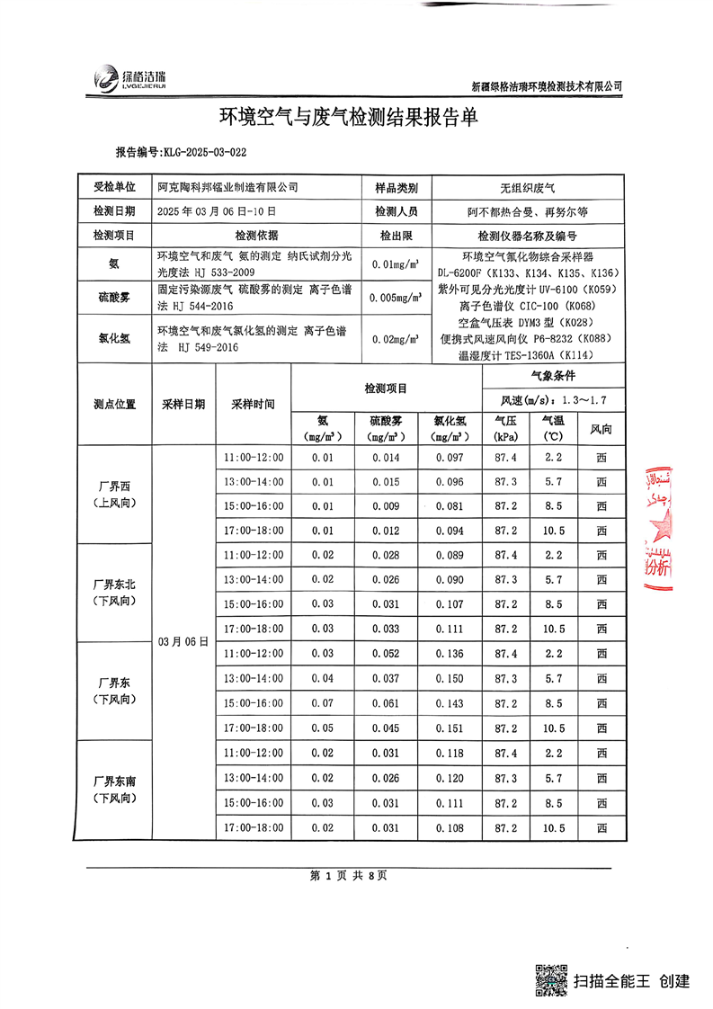
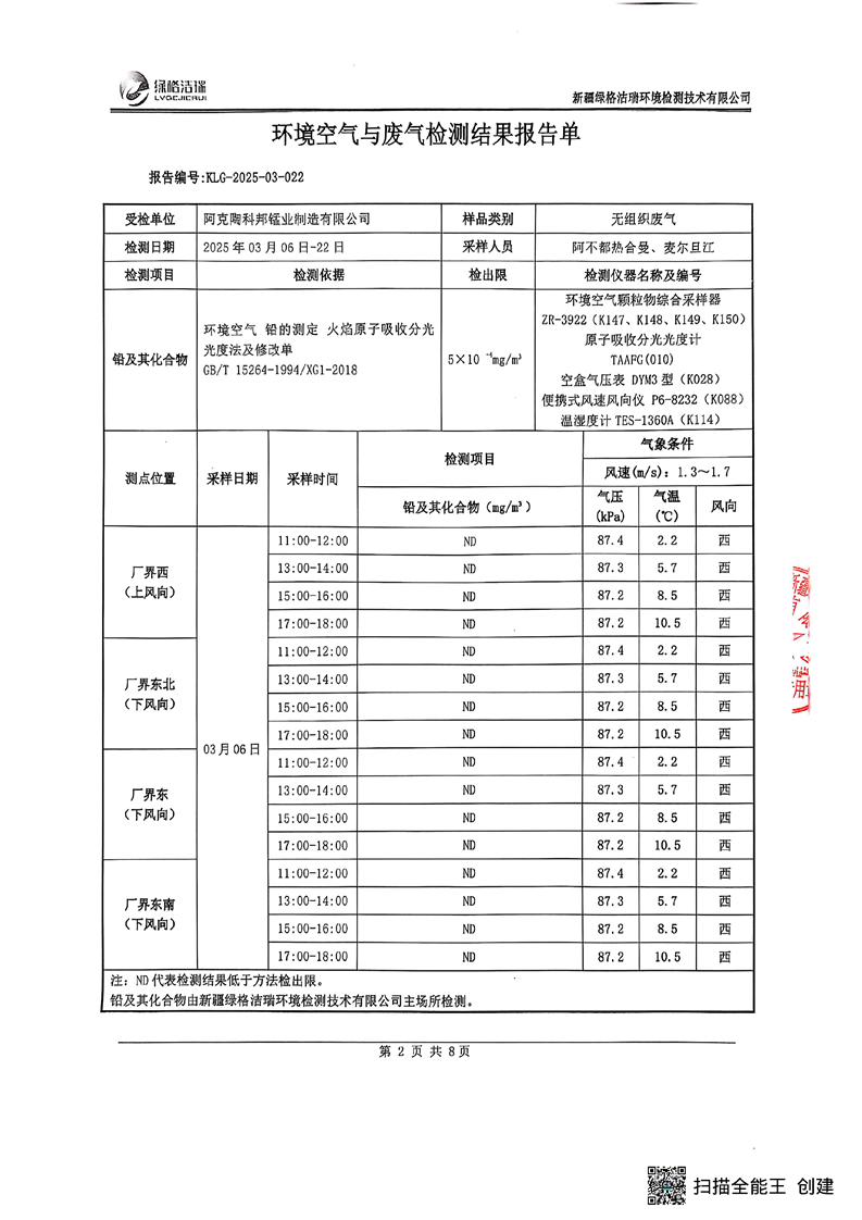
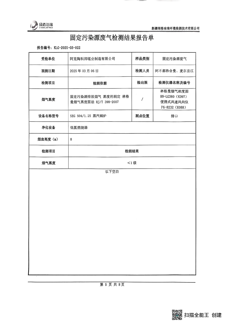
阿克陶科邦锰业制造有限公司2025年3月份污染源情况
| 索 引 号 | K45893645/2025-01833 | 主题分类 | |
| 名 称 | |||
| 主 题 词 | 污染源 | 成文日期 | 2025-03-26 19:14 |
| 文 号 | 〔〕号 | 发布日期 | 2025-03-26 19:10 |
| 发文单位 | 阿克陶科邦锰业制造有限公司 | 发布机构 | 克州生态环境局阿克陶县分局 |










解读文章
| 索 引 号 | K45893645/2025-01833 | 主题分类 | |
| 名 称 | |||
| 主 题 词 | 污染源 | 成文日期 | 2025-03-26 19:14 |
| 文 号 | 〔〕号 | 发布日期 | 2025-03-26 19:10 |
| 发文单位 | 阿克陶科邦锰业制造有限公司 | 发布机构 | 克州生态环境局阿克陶县分局 |









